Качественные детали и логистика
Оригинальные и аналоговые запчасти с доставкой по России, Казахстану и Беларуси
©2022 PartSell ООО "Система" ИНН 2463123282 ОГРН 1212400004838
Центральный офис: г. Красноярск, Академика Киренского, д.87, пом.4
Телефон: 8 (800) 777-65-74 Email: zakaz@partsell.ru
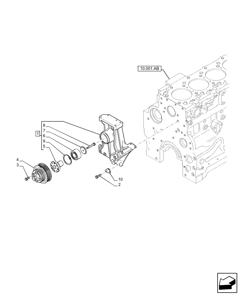
(10.414.AC) - FAN, DRIVE
№
Артикул
Название
Примечание
Количество
1
2854854
SUPPORT
Incl 5 - 9
1шт.
2
4899053
SCREW,Hex Flg, M8 x 45
5шт.
4895608
SCREW
3шт.
3
4899032
SCREW,Hex Flg, M10 x 1.5 x 25
4шт.
4
2859228
PULLEY,138mm OD
5
4892426
HUB
6
4892732
BALL BEARING,34mm ID x 64mm OD x 37mm W
7
4890732
RETAINER,11.50mm ID x 52mm OD x 7mm
8
4893228
BOLT,Flng, M10 x 1.5 x 70mm, Cl 10.9
9
4890698
SNAP RING,M64, Int
10
2854856
SPACER
Выбрано товаров: 0