Качественные детали и логистика
Оригинальные и аналоговые запчасти с доставкой по России, Казахстану и Беларуси
©2022 PartSell ООО "Система" ИНН 2463123282 ОГРН 1212400004838
Центральный офис: г. Красноярск, Академика Киренского, д.87, пом.4
Телефон: 8 (800) 777-65-74 Email: zakaz@partsell.ru
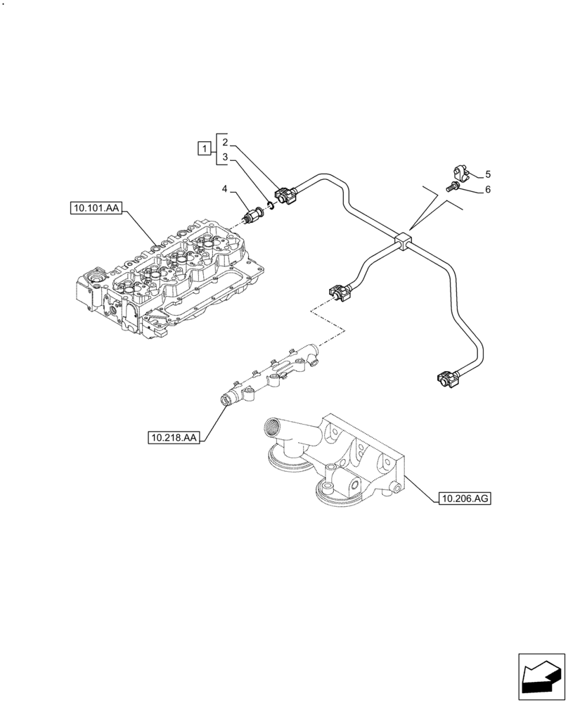
(10.218.AI[01]) - INJECTOR FUEL LINES
№
Артикул
Название
Примечание
Количество
1
2859653
RETURN PIPE
Assy, Incl 2, 3
1шт.
2
2854572
90 ELBOW
3шт.
3
4894095
O-RING,2.5mm Thk x 8mm ID, 60 Duro
4
47535296
FITTING,M12 x 1.5 x 20mm D
5
2859657
BRACKET, SUPPORTING
6
2852134
FLANGE BOLT,Hex, M12 x 1.75 x 25mm
Выбрано товаров: 0