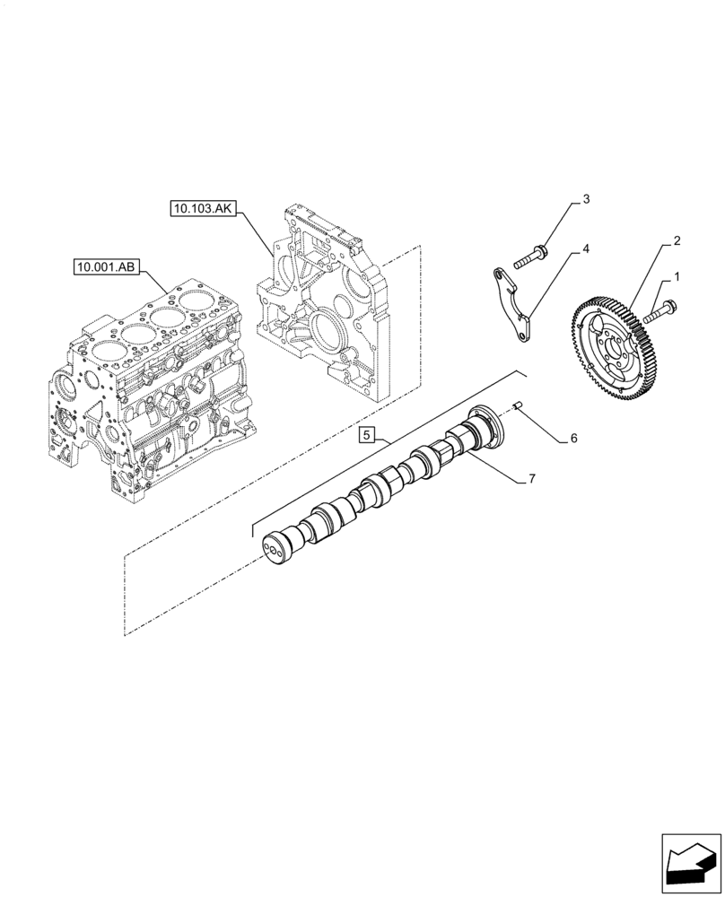
Запчасти Case IH F4DFE4132 B005 (10.106.AA) - CAMSHAFT (10) - ENGINE

Схема запчастей Case IH F4DFE4132 B005 - (10.106.AA) - CAMSHAFT (10) - ENGINE
10.001.ab
7
10.103.ak
7
2
3
4
6
5
1
FIT
1:1
100%

Артикул

Название

Примечание

Количество

1

4899079

SCREW,Hex Flg, M8 x 1.25 x 25

6шт.

2

2830437

DRIVEN GEAR

1шт.

3

4899068

BOLT,Flng, M8 x 1.25 x 16mm

2шт.

4

4897457

SUPPORT

1шт.

5

2859627

CAMSHAFT

ASSY, Incl 6, 7

1шт.

6

4899080

DOWEL,M6 x 8 L

1шт.

7

2859628

CAMSHAFT

Camshaft, Incl in 5

1шт.

Выбрано товаров: 0