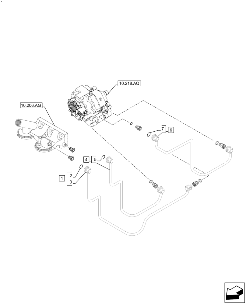
Запчасти Case IH F4DFE4132 B005 (10.210.AF) - FUEL SUPPLY LINES (10) - ENGINE

Схема запчастей Case IH F4DFE4132 B005 - (10.210.AF) - FUEL SUPPLY LINES (10) - ENGINE
3
10.218.aq
6
4
10.206.ag
7
5
1
2
FIT
1:1
100%

Артикул

Название

Примечание

Количество

1

47529717

PIPE

ASSY, Incl 2-3

1шт.

2

4894095

O-RING,2.5mm Thk x 8mm ID, 60 Duro

4шт.

3

2854572

90 ELBOW

1шт.

4

47529719

PIPE

ASSY, Incl 5

1шт.

5

4894095

O-RING,2.5mm Thk x 8mm ID, 60 Duro

2шт.

6

47529721

PIPE

ASSY, Incl 7

1шт.

7

4890929

O-RING,3mm Thk x 11mm ID

2шт.

Выбрано товаров: 0