Запчасти Case IH F4DFE4133 B007 (10.001.AK) - ENGINE SUPPORT AND MOUNTS (10) - ENGINE

Схема запчастей Case IH F4DFE4133 B007 - (10.001.AK) - ENGINE SUPPORT AND MOUNTS (10) - ENGINE
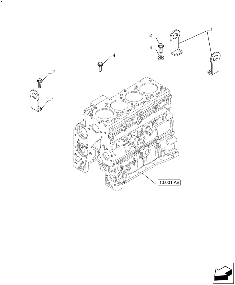
1
10.001.ab
1
2
2
3
4
FIT
1:1
100%

Артикул

Название

Примечание

Количество

1

2853015

BRACKET

3шт.

2

2852355

SCREW

6шт.

2

47775125

SCREW

1шт.

3

17095304

WASHER

1шт.

4

2853674

SCREW,Hex, Flg Hd, M10 x 1.5 x 20mm

2шт.

Выбрано товаров: 5