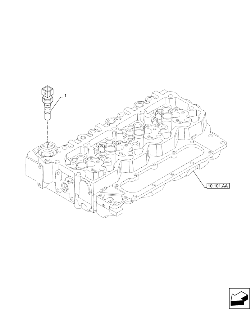
Запчасти Case IH F4DFE4133 B007 (55.012.AA) - ENGINE COOLANT TEMPERATURE SENSOR (55) - ELECTRICAL SYSTEMS

Схема запчастей Case IH F4DFE4133 B007 - (55.012.AA) - ENGINE COOLANT TEMPERATURE SENSOR (55) - ELECTRICAL SYSTEMS
1
10.101.aa
FIT
1:1
100%

Артикул

Название

Примечание

Количество

1

4897224

SENSOR

1шт.

Выбрано товаров: 0