Запчасти Case IH F4DFE4133 B008 (10.408.AC) - HEAT EXCHANGER (10) - ENGINE

Схема запчастей Case IH F4DFE4133 B008 - (10.408.AC) - HEAT EXCHANGER (10) - ENGINE
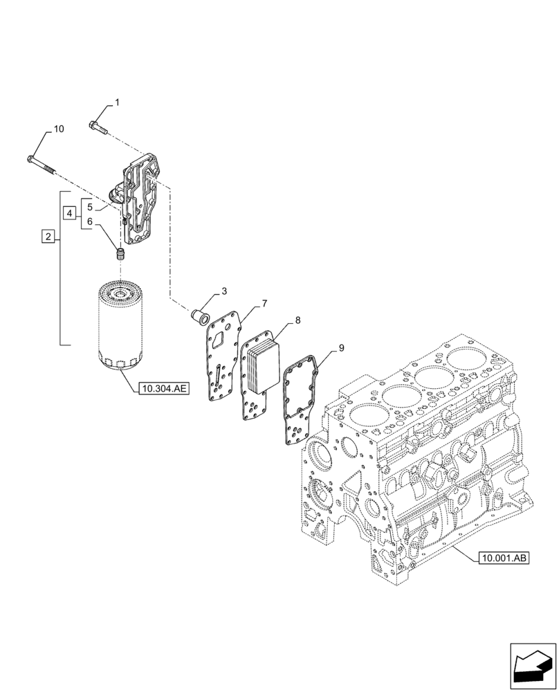
8
6
10.304.ae
10.001.ab
9
10
5
3
4
2
7
1
FIT
1:1
100%

Артикул

Название

Примечание

Количество

1

4899019

SCREW,Hex Flg, M8 x 1.25 x 35

13шт.

2

2830672

FILTER HEAD

ASSY, Incl 3-6

1шт.

3

4896410

VALVE PRESSURE RELIE

1шт.

4

2830673

FILTER HEAD

ASSY, Incl 5-6

1шт.

5

NSS

NOT SOLD SEPARAT

Housing, Incl in 4

1шт.

6

4893391

ADAPTER,M24 x 2 x M27 x 2

1шт.

7

2831317

GASKET,0.9mm Thk

1шт.

8

2853722

HEAT EXCHANGER

Alternative

1шт.

8

4896406

HEAT EXCHANGER

Alternative

1шт.

9

2830559

GASKET,0.5mm Thk

1шт.

10

4895609

BOLT,Flng, M8 x 1.25 x 100mm

2шт.

Выбрано товаров: 11