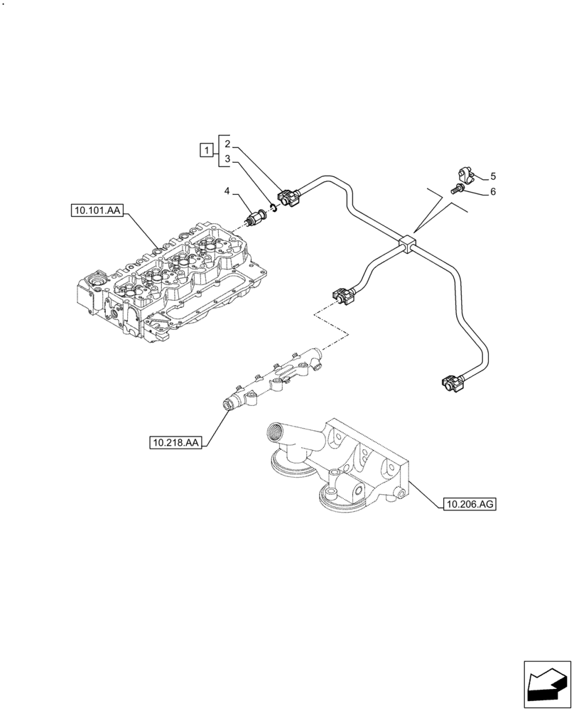
Запчасти Case IH F4DFE4134 B006 (10.218.AI[01]) - INJECTOR FUEL LINES (10) - ENGINE

Схема запчастей Case IH F4DFE4134 B006 - (10.218.AI[01]) - INJECTOR FUEL LINES (10) - ENGINE
4
10.101.aa
5
6
10.206.ag
1
3
2
10.218.aa
FIT
1:1
100%

Артикул

Название

Примечание

Количество

1

2859653

RETURN PIPE

Assy, Incl 2, 3

1шт.

2

2854572

90 ELBOW

3шт.

3

4894095

O-RING,2.5mm Thk x 8mm ID, 60 Duro

3шт.

4

47535296

FITTING,M12 x 1.5 x 20mm D

1шт.

5

2859657

BRACKET, SUPPORTING

1шт.

6

2852134

FLANGE BOLT,Hex, M12 x 1.75 x 25mm

1шт.

Выбрано товаров: 6