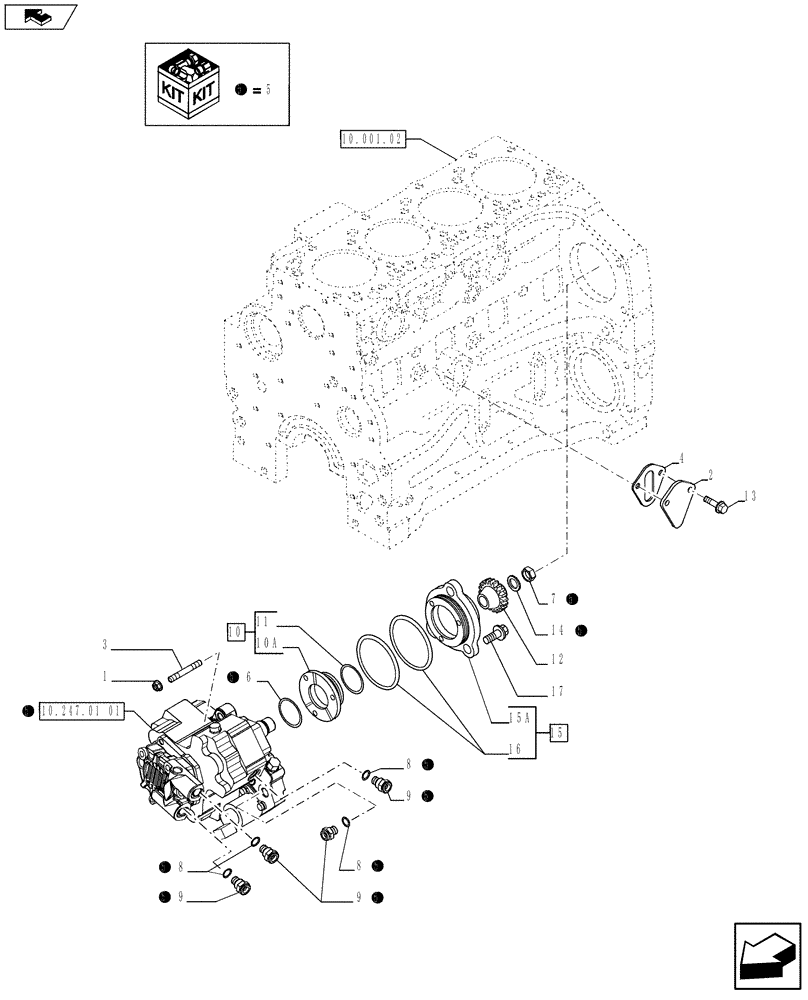
Запчасти Case IH F4DFE413A A003 (10.247.01) - INJECTION PUMP (2854052) (10) - ENGINE

Схема запчастей Case IH F4DFE413A A003 - (10.247.01) - INJECTION PUMP (2854052) (10) - ENGINE
4
8
16
5
5
14
5
home
17
1
9
15
11
7
10.001.02
5
5
9
5
2
10a
8
10.247.01 01
12
5
5
6
8
5
5
3
15a
9
13
10
5
5
FIT
1:1
100%

Артикул

Название

Примечание

Количество

1

4899003

FLANGE NUT,M8 x 1.25

3шт.

2

4896952

COVER

1шт.

3

4892831

STUD

M8 x 1.25 x 50

3шт.

4

4890700

GASKET,1.21mm Thk

1шт.

5

4898921

FUEL INJECTION PUMP

Assy, Contains Ref. 6 - 9, 14

1шт.

5

4898921R

REMAN-INJECTION PUMP

Reman for New PN 4898921

1шт.

5

4898921C

CORE-INJECTION PUMP

Return Number

1шт.

84385110R

REMAN-INJECTION PUMP

MAXXUM 130 EP EFFICIENT POWER MULTICONTROLLER TRACTOR, T6.160 TRACTOR, Reman for New P/N 4898921

1шт.

84385110C

CORE-INJECTION PUMP

Return Number

1шт.

6

4890088

O-RING,44mm ID x 3mm Width

1шт.

7

4890634

NUT,Hex, M18 x 1.5, RH

M18 x 1.5

1шт.

8

4891385

SEALING WASHER,12.2mm ID x 15.4mm OD x 1.5mm Thk

4шт.

9

4893962

QUICK MALE COUPLING,M12 x 1.5

4шт.

10

2830564

SPACER

ASSY

1шт.

10a

NSS

NOT SOLD SEPARAT

1шт.

11

17290581

O-RING,72.62mm ID x 2.34mm Width

2.34 x 72.62

1шт.

12

4896138

DRIVEN GEAR,27T

1шт.

13

4899146

SCREW,Hex Flg, M8 x 1.25 x 20

2шт.

14

4890635

SPRING WASHER

1шт.

15

2830598

BEARING COVER

ASSY

1шт.

15a

NSS

NOT SOLD SEPARAT

1шт.

16

4897111

O-RING,0.139" Thk x 4.719" ID

2шт.

17

4899063

SCREW,Hex Flg, M8 x 1.25 x 30

3шт.

Выбрано товаров: 23