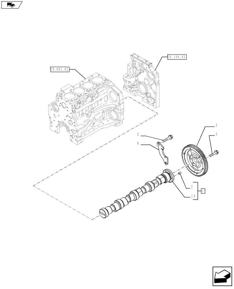
Запчасти Case IH F4DFE413B A002 (10.106.01) - CAMSHAFT - TIMING CONTROL (84496913) (10) - ENGINE

Схема запчастей Case IH F4DFE413B A002 - (10.106.01) - CAMSHAFT - TIMING CONTROL (84496913) (10) - ENGINE
1a
10.001.02
home
5
3
6
10.106.03
4
2
1
FIT
1:1
100%

Артикул

Название

Примечание

Количество

1

2859627

CAMSHAFT

Assy

1шт.

1

504345136R

F4DFE413B*A002 Engine 5801436438 - 84265768, ASSY, Reman for New PN 2859627

1шт.

1

504345136C

Return Number

1шт.

1a

NSS

NOT SOLD SEPARAT

1шт.

2

4899080

DOWEL,M6 x 8 L

1шт.

3

2830437

DRIVEN GEAR

1шт.

4

4899079

SCREW,Hex Flg, M8 x 1.25 x 25

6шт.

5

4899068

BOLT,Flng, M8 x 1.25 x 16mm

2шт.

6

4897457

SUPPORT

1шт.

Выбрано товаров: 9