Запчасти Case IH F4DFE413B A002 (10.012.04) - HOOKS - ENGINE (2853797) (10) - ENGINE

Схема запчастей Case IH F4DFE413B A002 - (10.012.04) - HOOKS - ENGINE (2853797) (10) - ENGINE
10.414.03
10.106.03
home
2
10.001.02
1
1
2
3
1
FIT
1:1
100%

Артикул

Название

Примечание

Количество

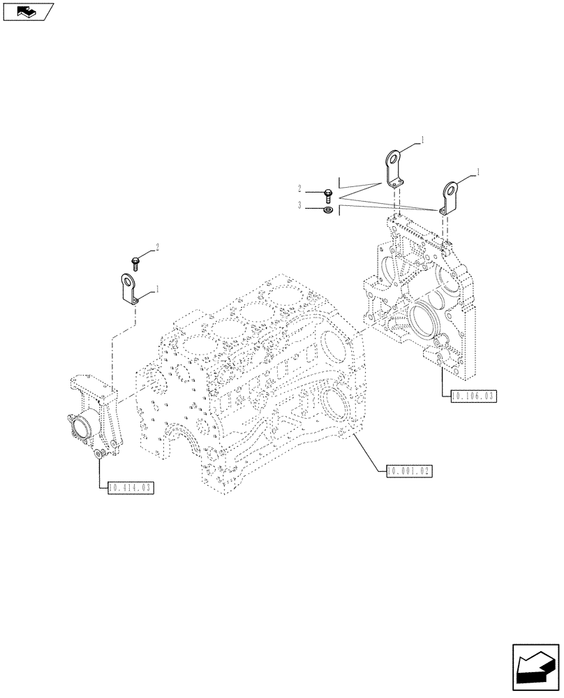
1

2853015

BRACKET

3шт.

2

2852355

SCREW

6шт.

2

4897277

SCREW

M12 x 25

2шт.

3

2853798

WASHER

2шт.

Выбрано товаров: 0