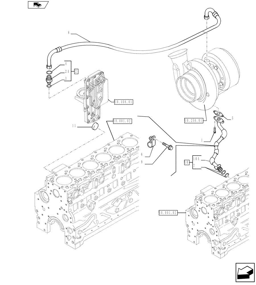
Запчасти Case IH F4DFE413B A002 (10.304.05) - PIPING - ENGINE OIL (84496919) (10) - ENGINE

Схема запчастей Case IH F4DFE413B A002 - (10.304.05) - PIPING - ENGINE OIL (84496919) (10) - ENGINE
3
10.001.02
10.250.01
home
10.001.02
8
10
6
11
7
10a
4
1
9
5
10.408.01
2a
2
FIT
1:1
100%

Артикул

Название

Примечание

Количество

1

2852101

FLANGE BOLT,Hex, M6 x 16mm

3шт.

2

2857015

HYD CONNECTOR,Hex, M12 x 1.5 x 6.7mm ID x 32mm L

1шт.

2a

NSS

NOT SOLD SEPARAT

1шт.

3

4895610

O-RING,2.2mm Thk x 9.3mm ID

1шт.

4

4899108

O-RING,0.364mm ID x 0.07mm Width

2шт.

5

4899467

GASKET

1шт.

6

4899519

CLAMP,M16, M6 Bolt

1шт.

7

4899106

HYD CONNECTOR,11/16" - 16 ORFS x M10 x 1.25 ORB

1шт.

7a

NSS

NOT SOLD SEPARAT

1шт.

8

2856474

PIPE

1шт.

9

4899106

HYD CONNECTOR,11/16" - 16 ORFS x M10 x 1.25 ORB

1шт.

10

84496930

TUBE

1шт.

10a

NSS

NOT SOLD SEPARAT

1шт.

11

4899058

O-RING,0.674" ID x 0.88" OD x 0.103"

2шт.

12

2852197

FLANGE NUT,M6 x 1

1шт.

13

2852100

FLANGE BOLT,Hex, M8 x 1.25 x 16mm

1шт.

14

2830887

BRACKET

1шт.

Выбрано товаров: 17