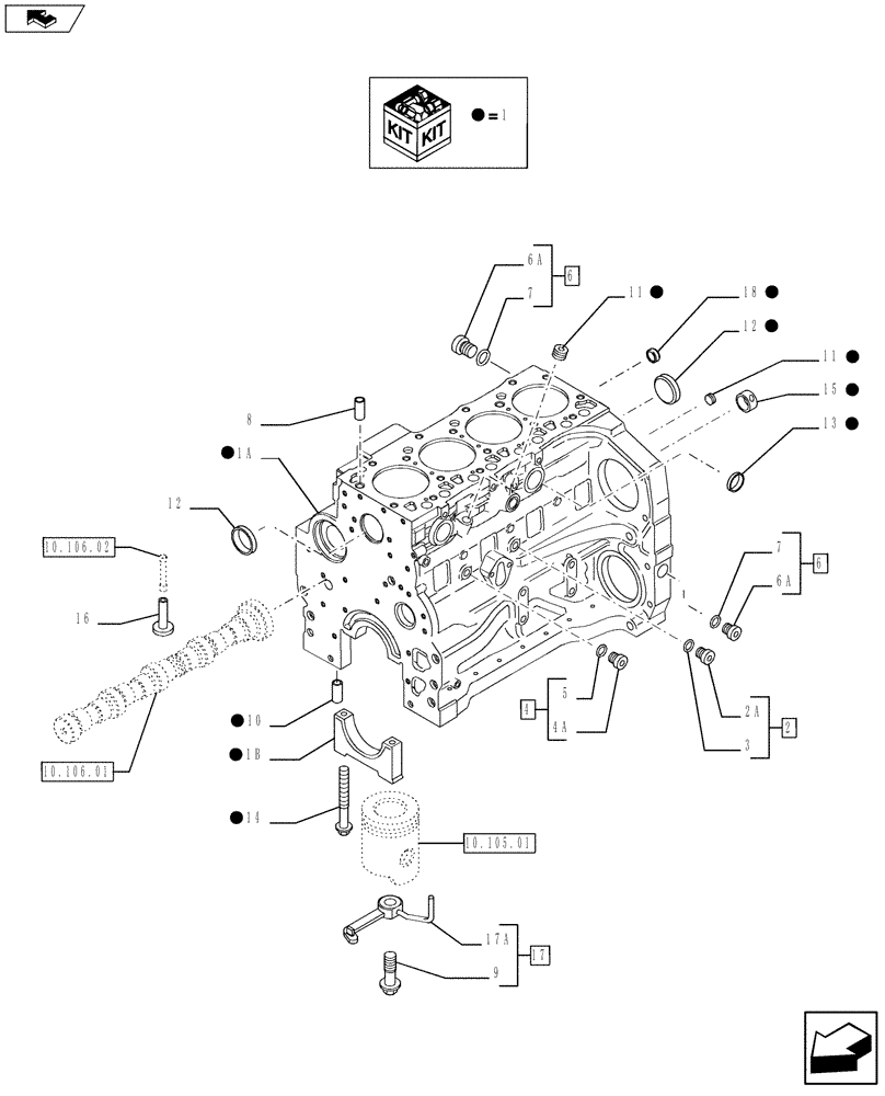
Запчасти Case IH F4DFE413C A004 (10.001.02) - CRANKCASE (84496914) (10) - ENGINE

Схема запчастей Case IH F4DFE413C A004 - (10.001.02) - CRANKCASE (84496914) (10) - ENGINE
1
1a
12
8
7
11
1
1
1
home
1
1
5
1
3
11
10.106.02
1
1
6a
6a
16
10.105.01
15
17a
1b
1
10.106.01
12
1
13
6
2
7
17
9
10
18
6
1
4a
4
2a
14
FIT
1:1
100%

Артикул

Название

Примечание

Количество

1

2830737

CYLINDER BLOCK

Assy, Contains Ref. 1A, 1B, 10 - 15, 18

1шт.

1a

NSS

NOT SOLD SEPARAT

1шт.

1b

NSS

NOT SOLD SEPARAT

1шт.

2

4895605

HEX SOCKET PLUG,M14 x 1.5

ASSY

1шт.

2a

NSS

NOT SOLD SEPARAT

1шт.

3

4899115

O-RING,2.2mm Thk x 11.3mm ID

1шт.

4

4899009

PLUG,M10 x1

ASSY

2шт.

4a

NSS

NOT SOLD SEPARAT

2шт.

5

4899072

O-RING,1.6mm Thk x 8.1mm ID

1шт.

6

4895392

HEX SOCKET PLUG,M18 x 1.5

ASSY

2шт.

6a

NSS

NOT SOLD SEPARAT

2шт.

7

4895393

O-RING,2.2mm Thk x 15.3mm ID

1шт.

8

4895049

DOWEL,M16.05 x 10

2шт.

9

4894218

SCREW,Special, M8 x 20

4шт.

10

4899026

DOWEL,M18 x 10

10шт.

11

4895039

EXPANSION PLUG,M17.73

2шт.

12

4895038

EXPANSION PLUG,M58.06

4шт.

13

4895228

EXPANSION PLUG,35.23mm x 7.94mm

2шт.

14

4891353

SCREW,Flg Hd, M12 x 1.5 x 120

10шт.

15

4895040

BUSHING,54.39mm ID x 59.39mm OD x 25.4mm L

1шт.

16

4891226

TAPPET

8шт.

17

2852202

NOZZLE, PISTON COOLI

ASSY

4шт.

17a

NSS

NOT SOLD SEPARAT

4шт.

18

2831364

LUBE OIL NOZZLE

LUBE OIL JET NOZZLE

1шт.

Выбрано товаров: 24