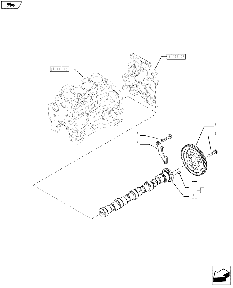
Запчасти Case IH F4DFE413C A004 (10.106.01) - CAMSHAFT - TIMING CONTROL (84496913) (10) - ENGINE

Схема запчастей Case IH F4DFE413C A004 - (10.106.01) - CAMSHAFT - TIMING CONTROL (84496913) (10) - ENGINE
3
4
10.001.02
1
home
1a
5
6
2
10.106.03
FIT
1:1
100%

Артикул

Название

Примечание

Количество

1

2859627

CAMSHAFT

ASSY

1шт.

1

504345136R

F4DFE413C*A004 ENGINE 5801486163 - 84265767, ASSY, Reman for New PN 2859627

1шт.

1

504345136C

Return Number

1шт.

1a

NSS

NOT SOLD SEPARAT

1шт.

2

4899080

DOWEL,M6 x 8 L

1шт.

3

2830437

DRIVEN GEAR

1шт.

4

4899079

SCREW,Hex Flg, M8 x 1.25 x 25

6шт.

5

4899068

BOLT,Flng, M8 x 1.25 x 16mm

2шт.

6

4897457

SUPPORT

1шт.

Выбрано товаров: 9