Запчасти Case IH F4DFE413C A004 (10.012.04) - HOOKS - ENGINE (2853797) (10) - ENGINE

Схема запчастей Case IH F4DFE413C A004 - (10.012.04) - HOOKS - ENGINE (2853797) (10) - ENGINE
10.001.02
2
home
2
1
1
10.106.03
10.414.03
1
3
FIT
1:1
100%

Артикул

Название

Примечание

Количество

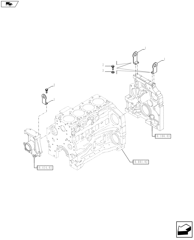
1

2853015

BRACKET

3шт.

2

2852355

SCREW

6шт.

2

4897277

SCREW

M12 x 25

2шт.

3

2853798

WASHER

2шт.

Выбрано товаров: 4