Качественные детали и логистика
Оригинальные и аналоговые запчасти с доставкой по России, Казахстану и Беларуси
©2022 PartSell ООО "Система" ИНН 2463123282 ОГРН 1212400004838
Центральный офис: г. Красноярск, Академика Киренского, д.87, пом.4
Телефон: 8 (800) 777-65-74 Email: zakaz@partsell.ru
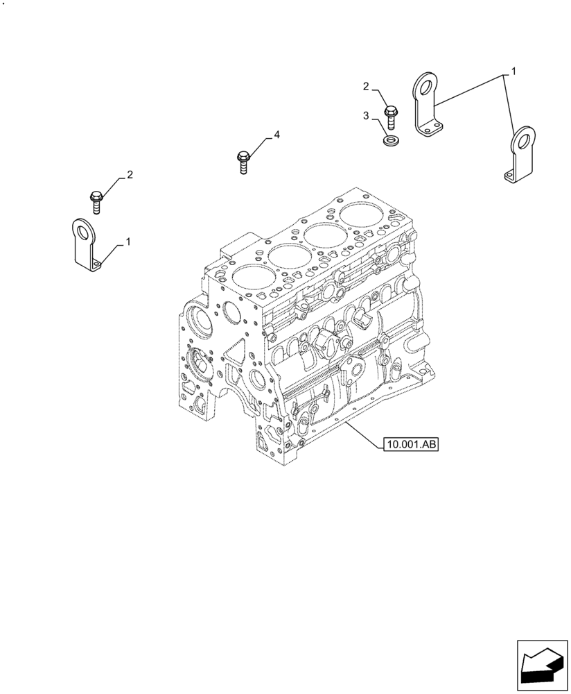
(10.001.AK) - ENGINE, HOOK
№
Артикул
Название
Примечание
Количество
1
2853015
BRACKET
3шт.
2
2852355
SCREW
6шт.
4897277
2шт.
3
2853798
WASHER
4
2853674
SCREW,Hex, Flg Hd, M10 x 1.5 x 20mm
1шт.
Выбрано товаров: 0