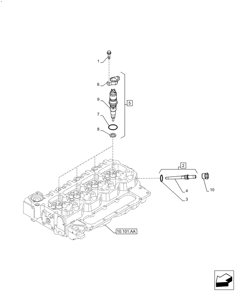
Запчасти Case IH F4DFE413R B003 (10.218.AF) - FUEL INJECTOR (10) - ENGINE

Схема запчастей Case IH F4DFE413R B003 - (10.218.AF) - FUEL INJECTOR (10) - ENGINE
8
4
10
7
6
1
2
10.101.aa
9
3
5
FIT
1:1
100%

Артикул

Название

Примечание

Количество

1

4895483

BOLT,Flng, M6 x 1 x 35mm

M6 x 1 x 35

8шт.

2

2854606

FUEL TUBE,Connector Assembly

ASSY, Incl 3, 4

4шт.

3

4890929

O-RING,3mm Thk x 11mm ID

ID = 11.0 x 3.0

1шт.

4

2854607

HYD CONNECTOR

Fitting, Incl in 2

1шт.

5

47712401

FUEL SYSTEM INJECTOR

ASSY, Incl 6 - 9

4шт.

6

NSS

NOT SOLD SEPARAT

Incl in 5

1шт.

7

NSS

NOT SOLD SEPARAT

ID = 20.9 x 3.0; Incl in 5

1шт.

8

NSS

NOT SOLD SEPARAT

Incl in 5

1шт.

9

NSS

NOT SOLD SEPARAT

Injector, Incl in 5

1шт.

10

4893739

TUBE NUT,Hex, M22 x 1.5

4шт.

Выбрано товаров: 10