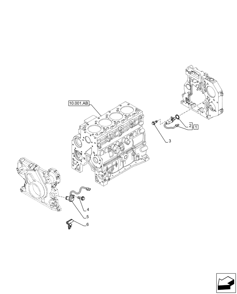
Запчасти Case IH F4DFE413R B003 (55.015.AC) - ENGINE, SENSOR (55) - ELECTRICAL SYSTEMS

Схема запчастей Case IH F4DFE413R B003 - (55.015.AC) - ENGINE, SENSOR (55) - ELECTRICAL SYSTEMS
4
5
10.103.ak
1
10.304.ac
3
2
10.001.ab
6
FIT
1:1
100%

Артикул

Название

Примечание

Количество

1

4897242

SENSOR

1шт.

2

4899044

O-RING,0.07" Thk x 0.676" ID, 17, Cl 7, 75 Duro

1шт.

3

2853616

HEX SOC SCREW,Hex Soc, M6, Cl 8.8

1шт.

4

4899110

SCREW,Hex Flg, M6 x 1 x 20

1шт.

5

2853552

SENSOR

1шт.

6

4897302

CABLE CLIP,5.5mm ID

1шт.

Выбрано товаров: 6