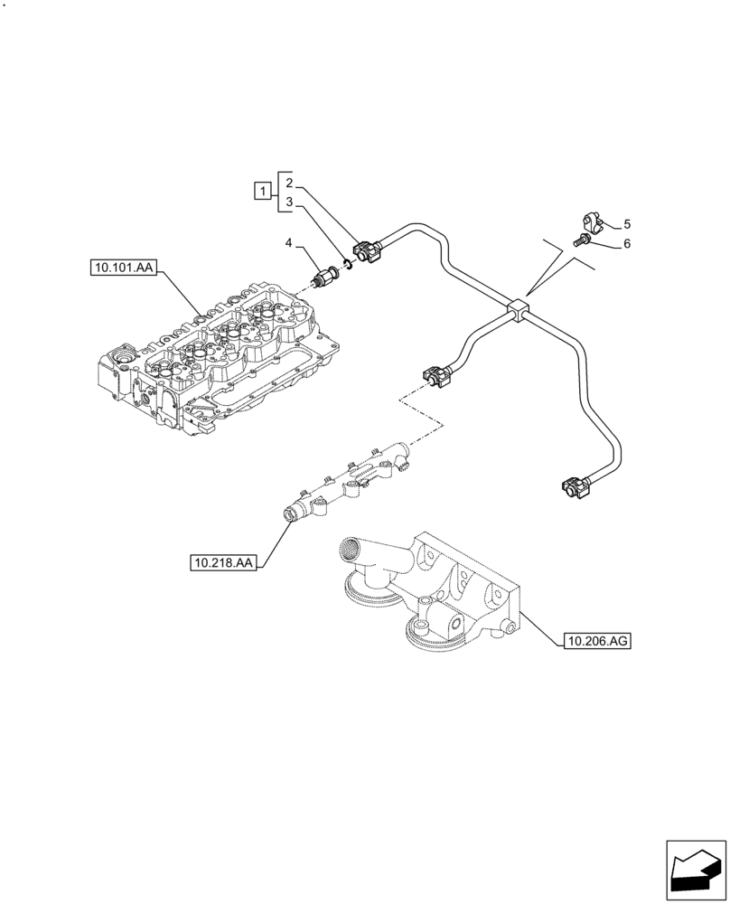
Запчасти Case IH F4DFE413S B002 (10.218.AI[01]) - INJECTION PIPE (10) - ENGINE

Схема запчастей Case IH F4DFE413S B002 - (10.218.AI[01]) - INJECTION PIPE (10) - ENGINE
1
2
10.218.aa
4
3
10.101.aa
6
5
10.206.ag
FIT
1:1
100%

Артикул

Название

Примечание

Количество

1

2859653

RETURN PIPE

Assy, Incl 2, 3

1шт.

2

2854572

90 ELBOW

1шт.

3

4894095

O-RING,2.5mm Thk x 8mm ID, 60 Duro

4шт.

4

47535296

FITTING,M12 x 1.5 x 20mm D

1шт.

5

2859657

BRACKET, SUPPORTING

1шт.

6

2852134

FLANGE BOLT,Hex, M12 x 1.75 x 25mm

1шт.

Выбрано товаров: 6