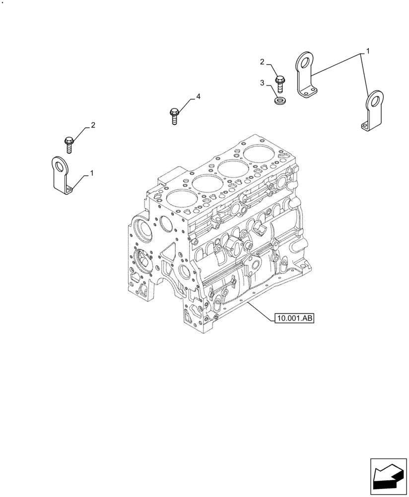
Запчасти Case IH F4DFE413T B002 (10.001.AK) - ENGINE, HOOK (10) - ENGINE

Схема запчастей Case IH F4DFE413T B002 - (10.001.AK) - ENGINE, HOOK (10) - ENGINE
2
4
10.001.ab
1
1
3
2
FIT
1:1
100%

Артикул

Название

Примечание

Количество

1

2853015

BRACKET

3шт.

2

2852355

SCREW

6шт.

2

4897277

SCREW

2шт.

3

2853798

WASHER

2шт.

4

2853674

SCREW,Hex, Flg Hd, M10 x 1.5 x 20mm

1шт.

Выбрано товаров: 5