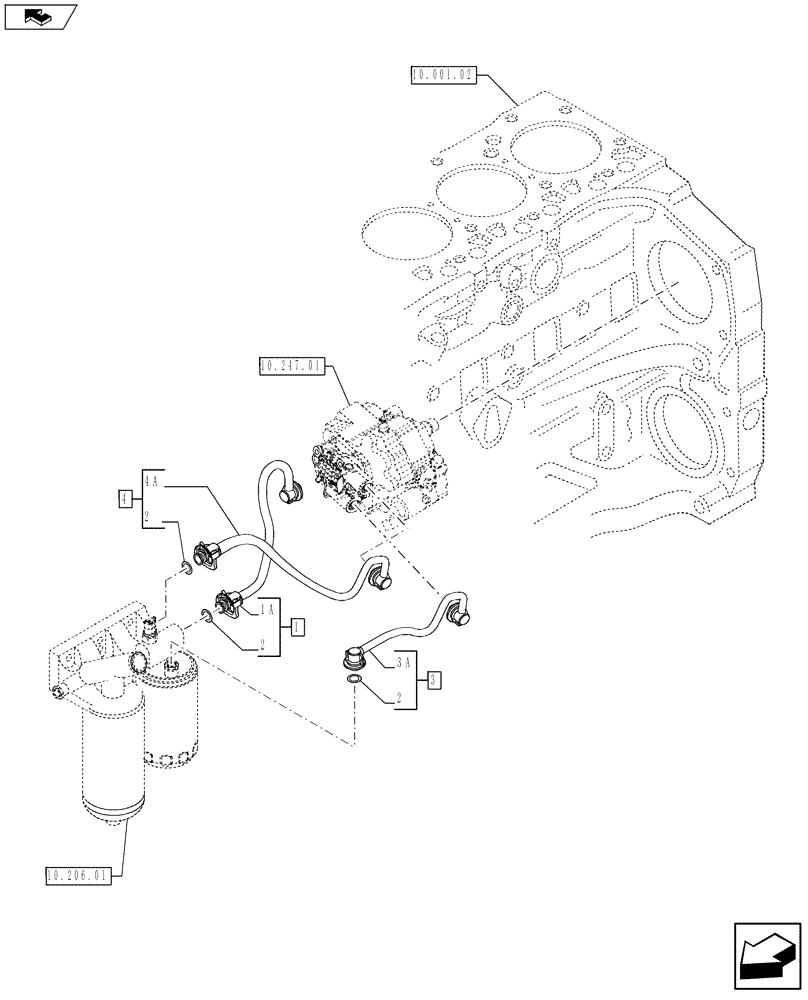
Запчасти Case IH F4DFE6132 A002 (10.218.01) - INJECTION EQUIPMENT - PIPING (2855081) (10) - ENGINE

Схема запчастей Case IH F4DFE6132 A002 - (10.218.01) - INJECTION EQUIPMENT - PIPING (2855081) (10) - ENGINE
2
2
1a
10.206.01
home
2
3a
1
4a
10.247.01
4
10.001.02
3
FIT
1:1
100%

Артикул

Название

Примечание

Количество

1

2830389

INJECTION PIPE

ASSY

1шт.

1a

NSS

NOT SOLD SEPARAT

1шт.

2

4894095

O-RING,2.5mm Thk x 8mm ID, 60 Duro

6шт.

3

84556252

INJECTION PIPE

ASSY

1шт.

3a

NSS

NOT SOLD SEPARAT

1шт.

4

84556273

INJECTION PIPE

ASSY

1шт.

4a

NSS

NOT SOLD SEPARAT

1шт.

Выбрано товаров: 7