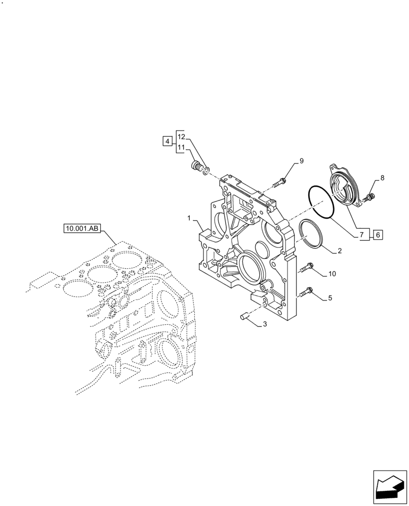
Запчасти Case IH F4DFE6132 B007 (10.103.AK) - FLYWHEEL HOUSING (10) - ENGINE

Схема запчастей Case IH F4DFE6132 B007 - (10.103.AK) - FLYWHEEL HOUSING (10) - ENGINE
8
2
1
12
10.001.ab
10
11
7
6
9
5
4
3
FIT
1:1
100%

Артикул

Название

Примечание

Количество

1

2855172

HOUSING

1шт.

2

84575645

OIL SEAL,130mm ID x 155mm OD x 16mm Thk

1шт.

3

4894532

DOWEL,M18 x 10 L

2шт.

4

4895392

HEX SOCKET PLUG,M18 x 1.5

ASSY; Incl 11, 12

1шт.

5

4899385

FLANGE BOLT,Hex, M16 x 1.5 x 80mm, Cl 8.8

1шт.

6

2830979

COVER

ASSY; Incl 7

1шт.

7

2853695

O-RING

1шт.

8

4895586

SCREW,Hex, Flg Hd, M8 x 16

2шт.

9

4891250

BOLT,Flng, M12 x 1.75 x 78mm, Cl 10.9

15шт.

10

4899145

BOLT,Flng, M12 x 1.75 x 100mm

2шт.

11

4895394

HEX SOCKET PLUG,M18 x 1.5

1шт.

12

4895393

O-RING,2.2mm Thk x 15.3mm ID

2шт.

Выбрано товаров: 12