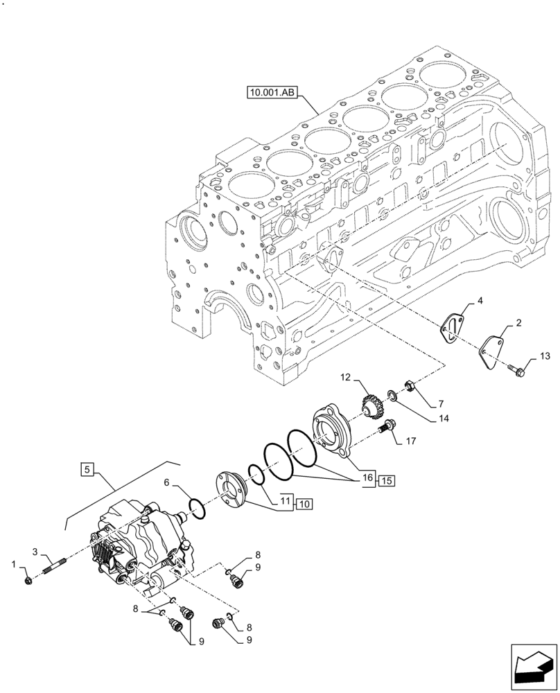
Запчасти Case IH F4DFE6132 B007 (10.218.AQ) - FUEL INJECTION PUMP (10) - ENGINE

Схема запчастей Case IH F4DFE6132 B007 - (10.218.AQ) - FUEL INJECTION PUMP (10) - ENGINE
9
7
11
1
5
13
17
6
8
9
12
9
4
8
2
3
8
10.001.ab
14
16
10
15
FIT
1:1
100%

Артикул

Название

Примечание

Количество

1

4899003

FLANGE NUT,M8 x 1.25

3шт.

2

4896952

COVER

1шт.

3

4892831

STUD

3шт.

4

4890700

GASKET,1.21mm Thk

1шт.

5

47669601

FUEL INJECTION PUMP

ASSY, Incl 6 - 9, 14

1шт.

5

47669601R

REMAN-FUEL INJ PUMP

1шт.

5

47669601C

CORE-FUEL INJ PUMP

Return Number

1шт.

6

NSS

NOT SOLD SEPARAT

O-RING; Incl in 5

1шт.

7

NSS

NOT SOLD SEPARAT

NUT, Incl in 5

1шт.

8

NSS

NOT SOLD SEPARAT

SEALING WASHER, Incl in 5

4шт.

9

NSS

NOT SOLD SEPARAT

FITTING, Incl in 5

4шт.

10

2830564

SPACER

ASSY, Incl 11

1шт.

11

4897109

O-RING

1шт.

12

4896138

DRIVEN GEAR,27T

1шт.

13

4899146

SCREW,Hex Flg, M8 x 1.25 x 20

2шт.

14

NSS

NOT SOLD SEPARAT

SPRING WASHER, Incl in 5

1шт.

15

2830598

BEARING COVER

ASSY, Incl 16

1шт.

16

4897111

O-RING,0.139" Thk x 4.719" ID

2шт.

17

4899063

SCREW,Hex Flg, M8 x 1.25 x 30

3шт.

Выбрано товаров: 19