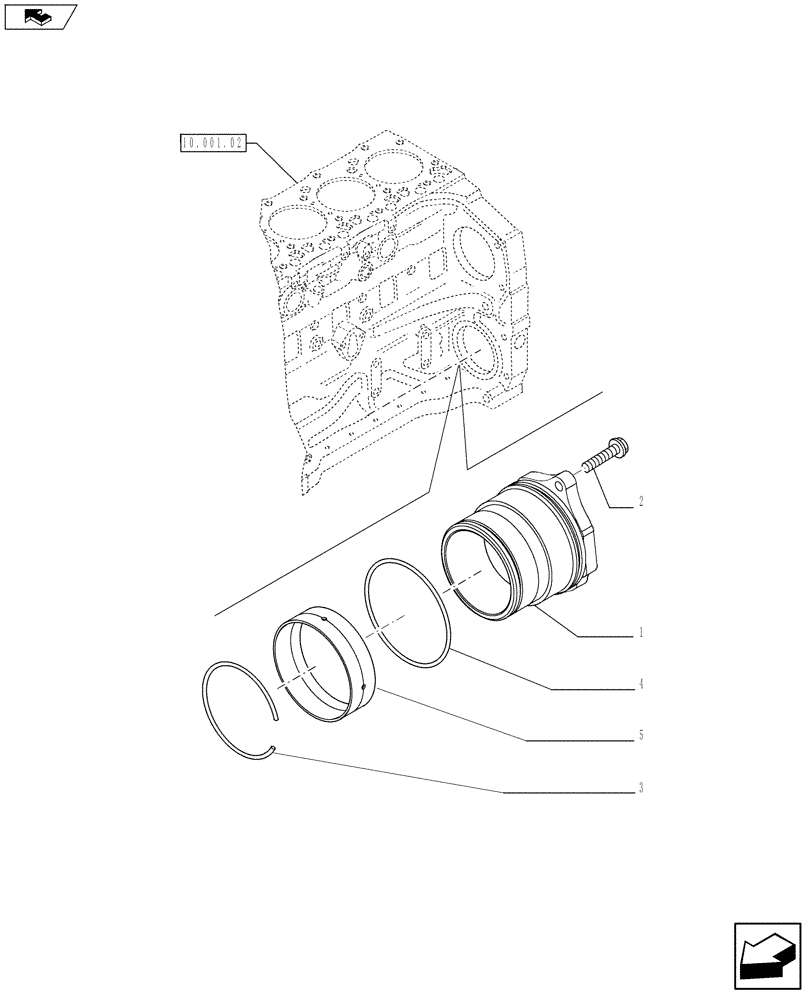
Запчасти Case IH F4DFE613E A002 (10.114.02) - POWER TAKE OFF (2853252) (10) - ENGINE

Схема запчастей Case IH F4DFE613E A002 - (10.114.02) - POWER TAKE OFF (2853252) (10) - ENGINE
1
3
5
2
4
home
10.001.02
FIT
1:1
100%

Артикул

Название

Примечание

Количество

1

2853044

DRIVE ASSY.

ASSY, Incl. 3-5

1шт.

2

2854356

SCREW

1шт.

3

2853495

SNAP RING,2.5mm Thk

1шт.

4

4897110

O-RING,0.139" Thk x 3.859" ID, -241

1шт.

5

4895875

SPACER,103mm ID x 107.8mm OD x 30mm L

1шт.

Выбрано товаров: 5