Запчасти Case IH F4DFE613K B006 (10.001.AK) - ENGINE, SUPPORT (10) - ENGINE

Схема запчастей Case IH F4DFE613K B006 - (10.001.AK) - ENGINE, SUPPORT (10) - ENGINE
3
1
1
2
2
10.103.ag
10.001.ab
FIT
1:1
100%

Артикул

Название

Примечание

Количество

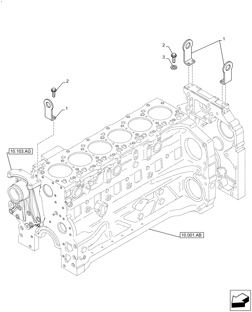
1

2853015

BRACKET

3шт.

2

2852355

SCREW

6шт.

2

4897277

SCREW

2шт.

3

2853798

WASHER

2шт.

Выбрано товаров: 4