Запчасти Case IH F4DFE613K B006 (10.210.AF) - FUEL LINE (10) - ENGINE

Схема запчастей Case IH F4DFE613K B006 - (10.210.AF) - FUEL LINE (10) - ENGINE
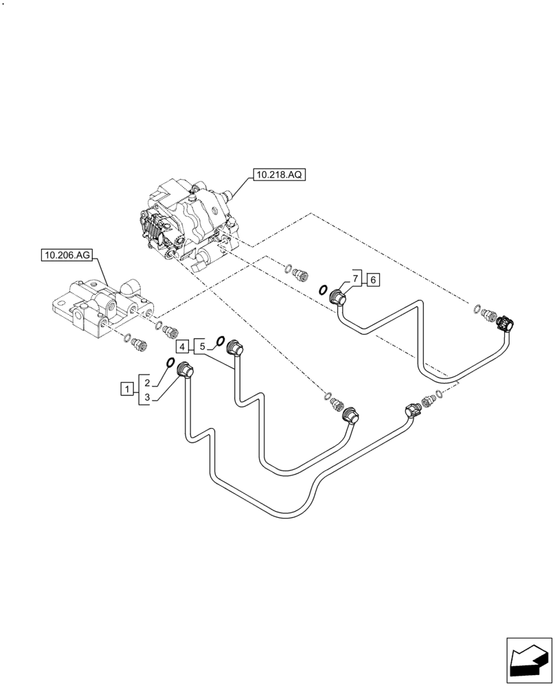
10.218.aq
5
10.206.ag
2
3
1
6
4
7
FIT
1:1
100%

Артикул

Название

Примечание

Количество

1

47529717

PIPE

ASSY, Incl 2-3

1шт.

2

4894095

O-RING,2.5mm Thk x 8mm ID, 60 Duro

4шт.

3

2854572

90 ELBOW

1шт.

4

47529719

PIPE

ASSY, Incl 5

1шт.

5

4894095

O-RING,2.5mm Thk x 8mm ID, 60 Duro

1шт.

6

47529721

PIPE

ASSY, Incl 7

1шт.

7

4890929

O-RING,3mm Thk x 11mm ID

2шт.

Выбрано товаров: 7