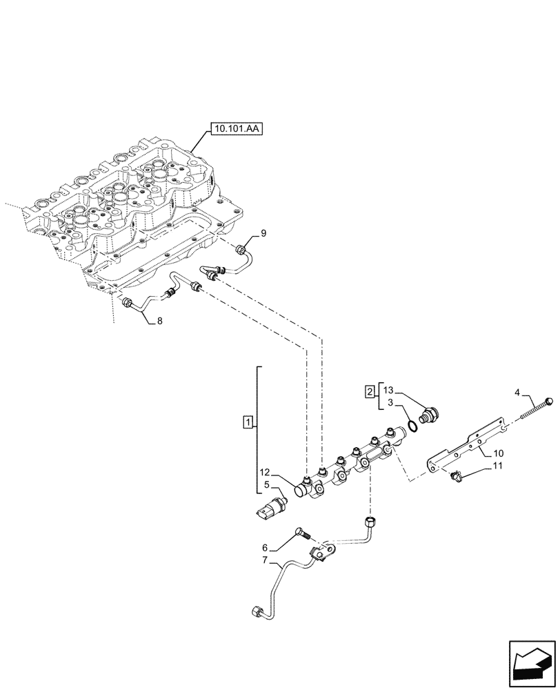
Запчасти Case IH F4DFE613N B006 (10.218.AA) - FUEL SYSTEM INJECTOR, LINE (10) - ENGINE

Схема запчастей Case IH F4DFE613N B006 - (10.218.AA) - FUEL SYSTEM INJECTOR, LINE (10) - ENGINE
10.101.aa
9
2
6
10
11
7
5
3
13
12
1
4
8
FIT
1:1
100%

Артикул

Название

Примечание

Количество

1

504347960

ASSY, Incl 2, 5, 12

MANIFOLD

1шт.

2

504088436

VALVE PRESSURE RELIE

ASSY, Incl 3, 13

1шт.

3

42553494

O-RING,17mm ID x 2.50mm

1шт.

4

16776925

4шт.

5

504333094

SENSOR

1шт.

6

16673635

BOLT,Hex, M8 x 1.25 x 20mm, Full Thd

1шт.

7

504323071

SPARE PART

1шт.

8

504323116

HOSE

3шт.

9

504323096

HOSE

3шт.

10

5801730517

BRACKET

1шт.

11

17059987

CABLE TIE

3шт.

12

NSS

NOT SOLD SEPARAT

Manifold, Incl in 1

1шт.

13

NSS

NOT SOLD SEPARAT

Sensor, Incl in 2

1шт.

Выбрано товаров: 13