Качественные детали и логистика
Оригинальные и аналоговые запчасти с доставкой по России, Казахстану и Беларуси
©2022 PartSell ООО "Система" ИНН 2463123282 ОГРН 1212400004838
Центральный офис: г. Красноярск, Академика Киренского, д.87, пом.4
Телефон: 8 (800) 777-65-74 Email: zakaz@partsell.ru
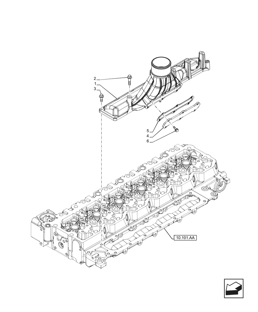
(10.254.AM) - MANIFOLD
№
Артикул
Название
Примечание
Количество
1
504102898
1шт.
2
4895294
BOLT,Flng, M8 x 1.25 x 80mm, Cl 10.9
2шт.
3
4899039
BOLT,Flng, M8 x 1.25 x 25mm, Cl 10.9
8шт.
4
504114351
COVER
5
504114491
GASKET
6
16585870
SCREW,Hex, M6 x 20mm
6шт.
Выбрано товаров: 0