Качественные детали и логистика
Оригинальные и аналоговые запчасти с доставкой по России, Казахстану и Беларуси
©2022 PartSell ООО "Система" ИНН 2463123282 ОГРН 1212400004838
Центральный офис: г. Красноярск, Академика Киренского, д.87, пом.4
Телефон: 8 (800) 777-65-74 Email: zakaz@partsell.ru
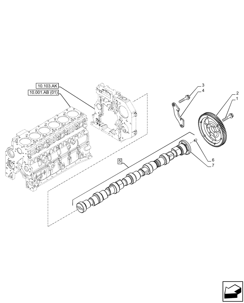
(10.106.AA) - CAMSHAFT
№
Артикул
Название
Примечание
Количество
1
4899079
SCREW,Hex Flg, M8 x 1.25 x 25
6шт.
2
2830438
DRIVEN GEAR,72T
1шт.
3
4899068
BOLT,Flng, M8 x 1.25 x 16mm
2шт.
4
4897457
SUPPORT
5
84342155
CAMSHAFT
ASSY, Incl 6,7
6
4899080
DOWEL,M6 x 8 L
7
NSS
NOT SOLD SEPARAT
Camshaft, Incl in 5
Выбрано товаров: 0