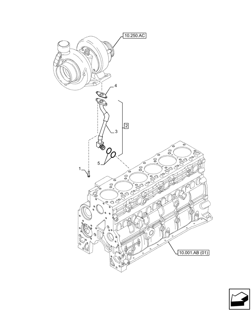
Запчасти Case IH F4DFE617L B002 (10.250.AE) - TURBOCHARGER, RETURN, LINE (10) - ENGINE

Схема запчастей Case IH F4DFE617L B002 - (10.250.AE) - TURBOCHARGER, RETURN, LINE (10) - ENGINE
5
2
1
10.001.ab (01)
4
3
10.250.ac
FIT
1:1
100%

Артикул

Название

Примечание

Количество

1

4899020

FLANGE BOLT,Hex, M8 x 1.25 x 20mm

2шт.

2

5801958146

PIPE

ASSY, Incl 6, 7

1шт.

3

NSS

NOT SOLD SEPARAT

Pipe, Incl in 8

1шт.

4

4891288

GASKET,0.8mm Thk

1шт.

5

17281881

O-RING,0.674" ID x 0.88" OD x 0.103"

2шт.

Выбрано товаров: 5