Запчасти Case IH F4DFE617L B002 (55.015.AC) - ENGINE, SENSOR (55) - ELECTRICAL SYSTEMS

Схема запчастей Case IH F4DFE617L B002 - (55.015.AC) - ENGINE, SENSOR (55) - ELECTRICAL SYSTEMS
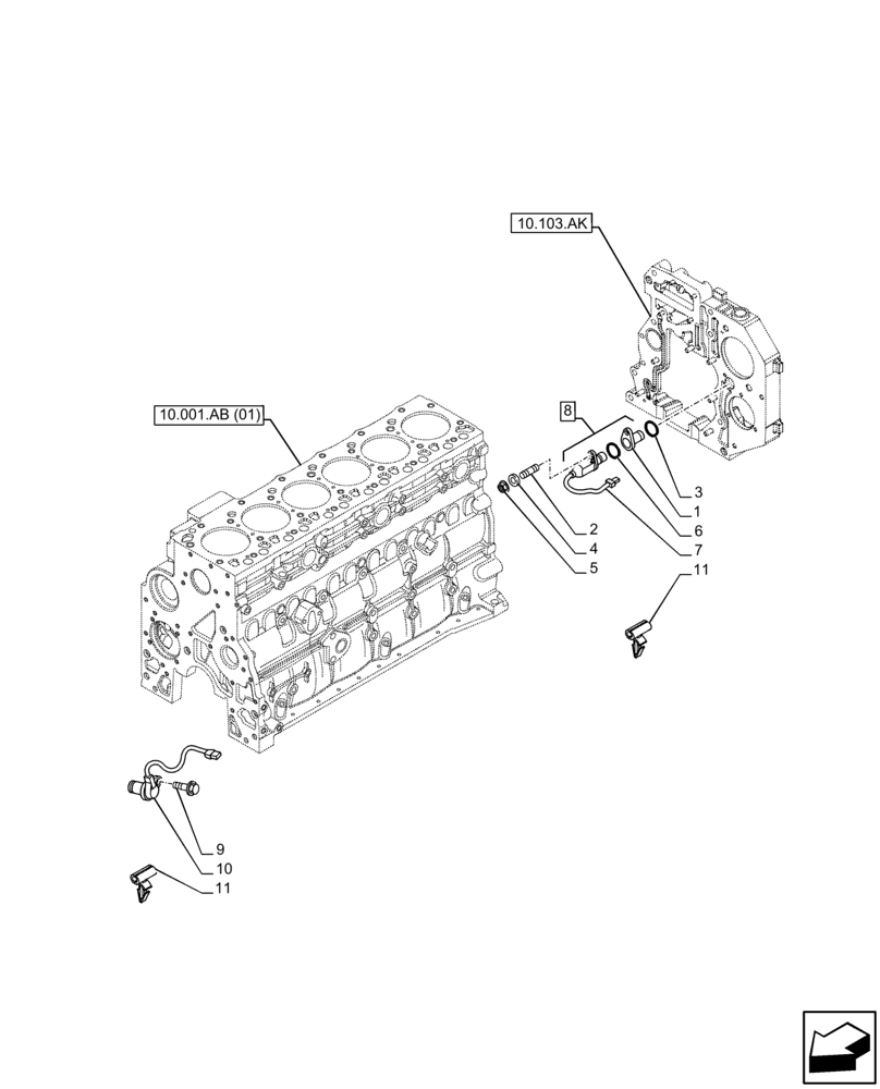
7
6
1
10
11
3
5
8
10.001.ab (01)
9
2
10.103.ak
11
4
FIT
1:1
100%

Артикул

Название

Примечание

Количество

1

NSS

NOT SOLD SEPARAT

Housing, Incl in 8

1шт.

2

NS

NOT SERVICED

1шт.

3

4895477

O-RING,2.62mm Thk x 13.94mm ID

M23.52 x 1.78mm

1шт.

4

NS

NOT SERVICED

1шт.

5

NS

NOT SERVICED

M6 x 1

1шт.

6

4899044

O-RING,0.07" Thk x 0.676" ID, 17, Cl 7, 75 Duro

1шт.

7

NSS

NOT SOLD SEPARAT

Sensor, Incl in 8

1шт.

8

4897242

SENSOR

ASSY, Incl 6, 7

1шт.

9

4899110

SCREW,Hex Flg, M6 x 1 x 20

1шт.

9

4895817

BOLT,Flng, M6 x 1 x 20mm, Cl 10.9

1шт.

9

2853616

HEX SOC SCREW,Hex Soc, M6, Cl 8.8

1шт.

9

16586224

SCREW,Hex Flg, M8 x 1.25 x 16mm, Cl 8.8

1шт.

10

2859675

SENSOR,Oil Temperature

1шт.

10

2859674

SENSOR,Oil Pressure

1шт.

10

2853552

SENSOR

1шт.

11

4897302

CABLE CLIP,5.5mm ID

2шт.

Выбрано товаров: 16