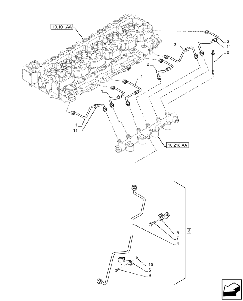
Запчасти Case IH F4DFE617L B002 (10.218.AI[01]) - INJECTION PIPE (10) - ENGINE

Схема запчастей Case IH F4DFE617L B002 - (10.218.AI[01]) - INJECTION PIPE (10) - ENGINE
1
5
4
8
11
1
1
2
3
6
10.101.aa
11
7
2
2
9
10
10.218.aa
FIT
1:1
100%

Артикул

Название

Примечание

Количество

1

2857017

PIPE

Fuel Supply

3шт.

2

2857046

PIPE

Fuel Supply

3шт.

3

2857048

PIPE

ASSY, Incl 4 - 7, 10, Fuel Supply

1шт.

4

2854553

TUBE

Pipe Fuel Supply

1шт.

5

2854556

CLAMP BRACKET

2шт.

5

2854558

RUBBER SEAL

2шт.

6

2854557

CLAMP BRACKET

Pipe-Anchoring

2шт.

6

2854555

CLAMP BRACKET

1шт.

6

2855127

CLAMP BRACKET

1шт.

7

2854559

SCREW

Pipe Retaining

2шт.

8

2853537

BOLT,Hex Flange Head Cap M8 x 1.25 x 125mm

4шт.

9

4896884

BOLT,Flng, M8 x 1.25 x 16mm, Cl 10.9

1шт.

9

4899020

FLANGE BOLT,Hex, M8 x 1.25 x 20mm

1шт.

10

2852434

SPACER

1шт.

11

2854548

SILENTBLOC

Isolator vibration

2шт.

Выбрано товаров: 15