Запчасти Case IH F4DFE617M B001 (10.106.AA) - CAMSHAFT (10) - ENGINE

Схема запчастей Case IH F4DFE617M B001 - (10.106.AA) - CAMSHAFT (10) - ENGINE
10.001.ab
6
1
7
5
2
10.103.ak
4
3
FIT
1:1
100%

Артикул

Название

Примечание

Количество

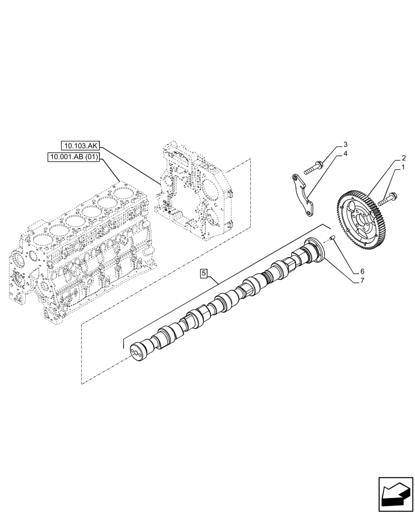
1

4899079

SCREW,Hex Flg, M8 x 1.25 x 25

6шт.

2

2830438

DRIVEN GEAR,72T

1шт.

3

4899068

BOLT,Flng, M8 x 1.25 x 16mm

2шт.

4

4897457

SUPPORT

1шт.

5

84342155

CAMSHAFT

ASSY, Incl 6,7

1шт.

6

4899080

DOWEL,M6 x 8 L

1шт.

7

NSS

NOT SOLD SEPARAT

Camshaft, Incl in 5

1шт.

Выбрано товаров: 7