Качественные детали и логистика
Оригинальные и аналоговые запчасти с доставкой по России, Казахстану и Беларуси
©2022 PartSell ООО "Система" ИНН 2463123282 ОГРН 1212400004838
Центральный офис: г. Красноярск, Академика Киренского, д.87, пом.4
Телефон: 8 (800) 777-65-74 Email: zakaz@partsell.ru
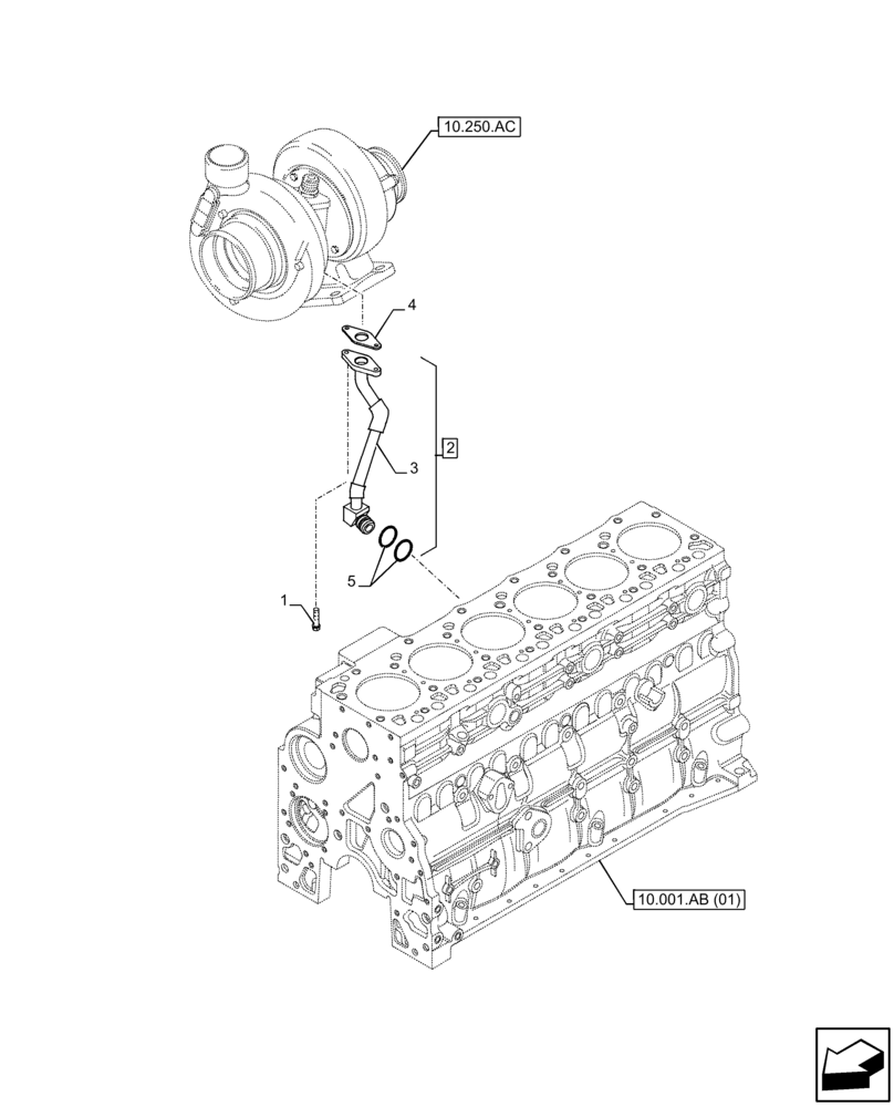
(10.250.AE) - TURBOCHARGER, RETURN, LINE
№
Артикул
Название
Примечание
Количество
1
4899020
FLANGE BOLT,Hex, M8 x 1.25 x 20mm
2шт.
2
5801958146
PIPE
ASSY, Incl 6, 7
1шт.
3
NSS
NOT SOLD SEPARAT
Pipe, Incl in 8
4
4891288
GASKET,0.8mm Thk
5
17281881
O-RING,0.674" ID x 0.88" OD x 0.103"
Выбрано товаров: 5