Качественные детали и логистика
Оригинальные и аналоговые запчасти с доставкой по России, Казахстану и Беларуси
©2022 PartSell ООО "Система" ИНН 2463123282 ОГРН 1212400004838
Центральный офис: г. Красноярск, Академика Киренского, д.87, пом.4
Телефон: 8 (800) 777-65-74 Email: zakaz@partsell.ru
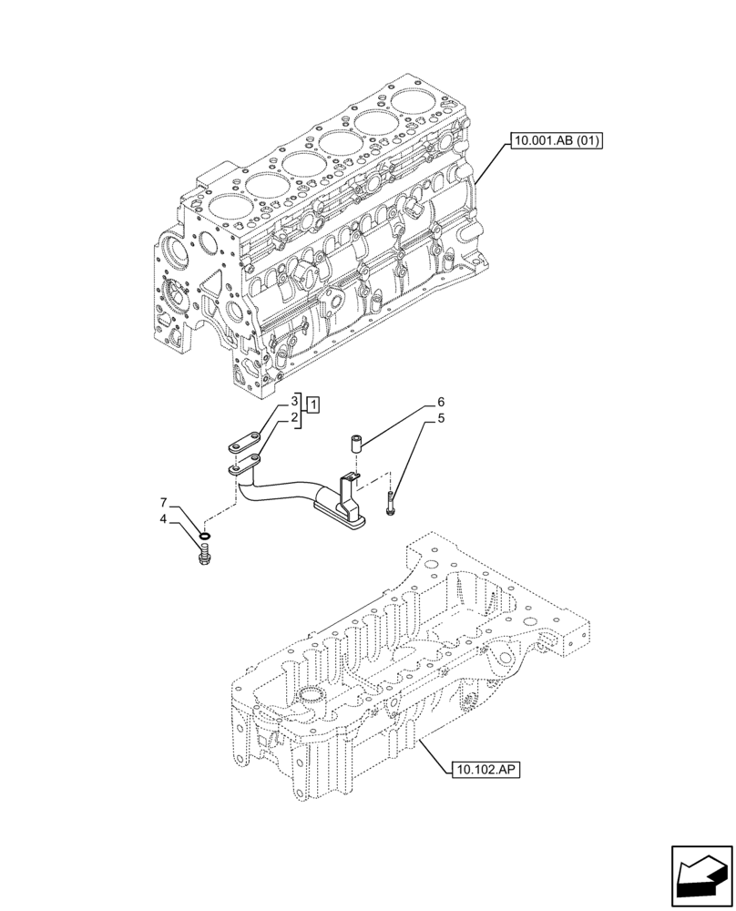
(10.304.AL) - ENGINE OIL, SUCTION TUBE
№
Артикул
Название
Примечание
Количество
1
5801958204
PIPE
ASSY, Water Inlet, Incl 2, 3
1шт.
2
5801908148
3
5801939980
SUPPORT
4
16287234
FLANGE BOLT,Hex, M8 x 25mm, Cl 10.9, Full Thd
87343550
FLANGE BOLT,Hex, M12 x 25mm
2854000
SELF-TAP SCREW,Hex, M6 x 16mm
5
4899091
SCREW,Hex Flange Cap, M8 x 1.25 x 40.00mm
2шт.
6
5801829901
BUSHING
7
2853563
O-RING,20.29mm ID x 2.62mm
Выбрано товаров: 0