Запчасти Case IH F4DFE617M B001 (55.202.AA) - MANIFOLD, HEATER (55) - ELECTRICAL SYSTEMS

Схема запчастей Case IH F4DFE617M B001 - (55.202.AA) - MANIFOLD, HEATER (55) - ELECTRICAL SYSTEMS
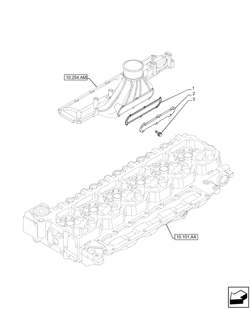
10.101.aa
3
1
10.254.am
2
FIT
1:1
100%

Артикул

Название

Примечание

Количество

1

2854701

GASKET,0.8mm Thk

1шт.

2

2854700

COVER

1шт.

3

2854702

SCREW,Hex Flg, M6 x 20mm

6шт.

Выбрано товаров: 3