Запчасти Case IH F4DFE617M B001 (10.304.AL) - ENGINE OIL, SUCTION TUBE (10) - ENGINE

Схема запчастей Case IH F4DFE617M B001 - (10.304.AL) - ENGINE OIL, SUCTION TUBE (10) - ENGINE
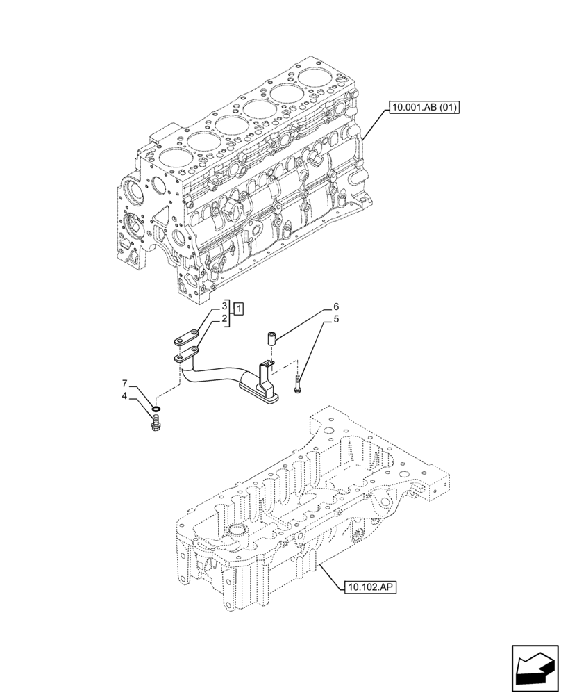
3
1
5
10.001.ab (01)
10.102.ap
7
4
2
6
FIT
1:1
100%

Артикул

Название

Примечание

Количество

1

5801958204

PIPE

ASSY, Water Inlet, Incl 2, 3

1шт.

2

5801908148

PIPE

1шт.

3

5801939980

SUPPORT

1шт.

4

16287234

FLANGE BOLT,Hex, M8 x 25mm, Cl 10.9, Full Thd

1шт.

4

87343550

FLANGE BOLT,Hex, M12 x 25mm

1шт.

4

2854000

SELF-TAP SCREW,Hex, M6 x 16mm

1шт.

5

4899091

SCREW,Hex Flange Cap, M8 x 1.25 x 40.00mm

2шт.

6

5801829901

BUSHING

2шт.

7

2853563

O-RING,20.29mm ID x 2.62mm

1шт.

Выбрано товаров: 9