Запчасти Case IH F4DFE617M B001 (10.408.AO) - ENGINE OIL, COOLER (10) - ENGINE

Схема запчастей Case IH F4DFE617M B001 - (10.408.AO) - ENGINE OIL, COOLER (10) - ENGINE
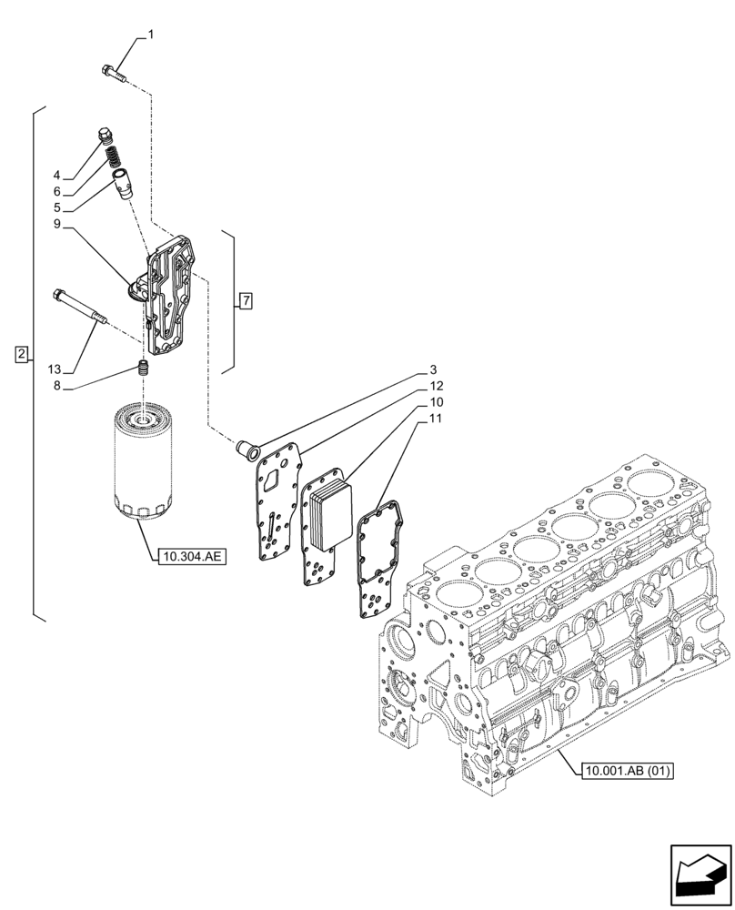
3
5
8
4
11
10
6
1
12
10.001.ab
7
13
9
2
10.304.ae
FIT
1:1
100%

Артикул

Название

Примечание

Количество

1

4899019

SCREW,Hex Flg, M8 x 1.25 x 35

11шт.

2

5801999043

SUPPORT

ASSY, Incl 3 - 7, 10 - 12

1шт.

3

4896410

VALVE PRESSURE RELIE

1шт.

4

NSS

NOT SOLD SEPARAT

Plug, Incl in 2

1шт.

5

NSS

NOT SOLD SEPARAT

Plunger, Incl in 2

1шт.

6

NSS

NOT SOLD SEPARAT

Spring, Incl in 2

1шт.

7

5801898552

GASKET

ASSY, Incl 8, 9

1шт.

8

4893391

ADAPTER,M24 x 2 x M27 x 2

Head - Lubrification Oil Filter

1шт.

9

NSS

NOT SOLD SEPARAT

Housing, Incl in 7

1шт.

10

NSS

NOT SOLD SEPARAT

Oil Cooler, Incl in 2

1шт.

11

5801898558

GASKET

1шт.

12

5801898555

COOLER

1шт.

13

4895609

BOLT,Flng, M8 x 1.25 x 100mm

2шт.

Выбрано товаров: 13