Качественные детали и логистика
Оригинальные и аналоговые запчасти с доставкой по России, Казахстану и Беларуси
©2022 PartSell ООО "Система" ИНН 2463123282 ОГРН 1212400004838
Центральный офис: г. Красноярск, Академика Киренского, д.87, пом.4
Телефон: 8 (800) 777-65-74 Email: zakaz@partsell.ru
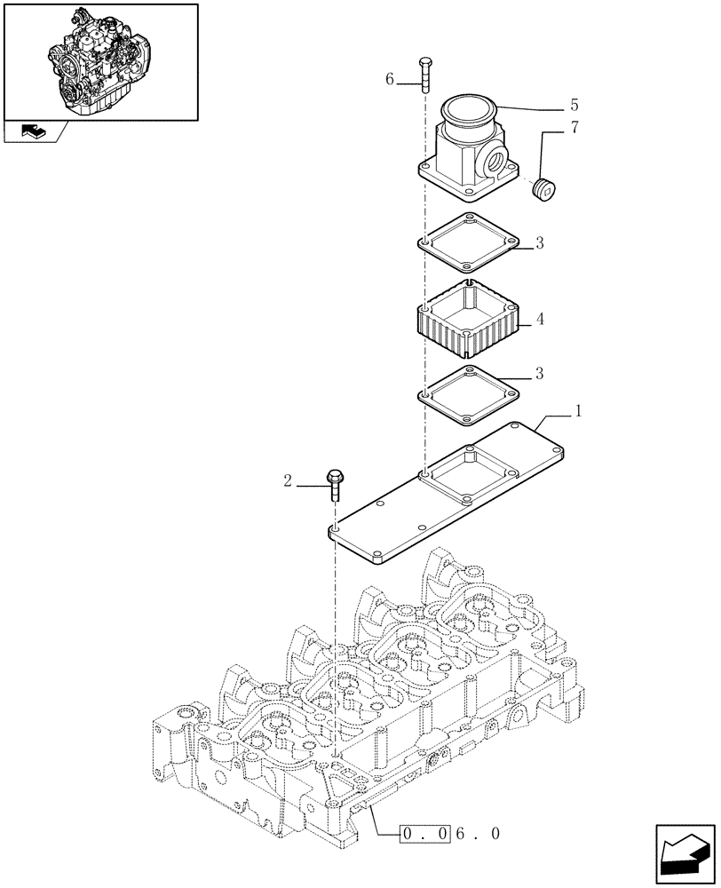
(0.07.1) - INTAKE MANIFOLD (2854335-2853267-2856262)
№
Артикул
Название
Примечание
Количество
1
2856462
INLET MANIFOLD
1шт.
2
4899039
BOLT,Flng, M8 x 1.25 x 25mm, Cl 10.9
6шт.
3
4899921
GASKET,1.2mm Thk
2шт.
4
2856263
SPACER,93mm x 98mm
5
2830891
AIR INTAKE TUBE
6
4895294
BOLT,Flng, M8 x 1.25 x 80mm, Cl 10.9
4шт.
7
4893036
PIPE PLUG,3/4"-14 NPTF
Выбрано товаров: 0