Качественные детали и логистика
Оригинальные и аналоговые запчасти с доставкой по России, Казахстану и Беларуси
©2022 PartSell ООО "Система" ИНН 2463123282 ОГРН 1212400004838
Центральный офис: г. Красноярск, Академика Киренского, д.87, пом.4
Телефон: 8 (800) 777-65-74 Email: zakaz@partsell.ru
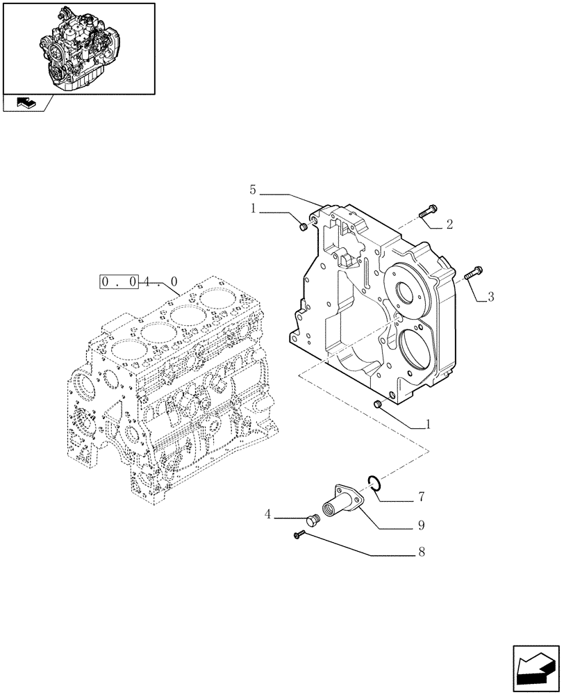
(0.04.3[01]) - CRANKCASE COVERS (2852682)
№
Артикул
Название
Примечание
Количество
1
4899026
DOWEL,M18 x 10
2шт.
2
4899091
SCREW,Hex Flange Cap, M8 x 1.25 x 40.00mm
4шт.
3
4899093
BOLT,Hex Flange, M10 x 30.00mm, Cl 10.9, PHC
5шт.
4899073
SCREW,Hex Flg, M12 x 1.75 x 30
4
2855289
HEX SOCKET PLUG
1шт.
5
2852619
HOUSING
7
2852519
O-RING,M21.95 ID x 1.78 Thk
8
4895355
SCREW,M5 x 0.8 x 17mm, Cl 8.8
9
2855287
Timing Pin
Выбрано товаров: 0