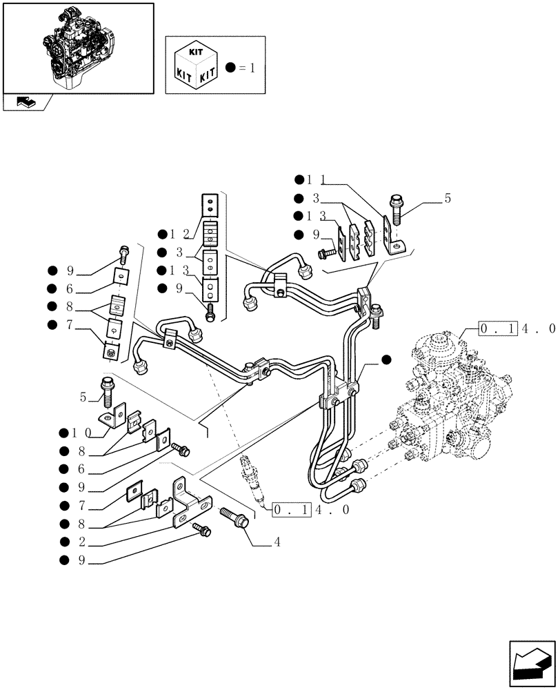
Запчасти Case IH F4GE9484A J601 (0.14.9) - INJECTION EQUIPMENT - PIPING - (504046189)

Схема запчастей Case IH F4GE9484A J601 - (0.14.9) - INJECTION EQUIPMENT - PIPING - (504046189)
4
12
7
1
10
0.14.0
1
3
1
8
13
1
8
1
1
9
3
9
8
1
1
9
1
1
1
1
1
1
1
home
6
1
1
5
13
6
11
1
5
2
0.14.0
1
7
1
9
1
1
1
9
FIT
1:1
100%

Артикул

Название

Примечание

Количество

1

2853100

KIT

- ASSY

1шт.

2

4896761

BRACKET

1шт.

3

4896919

SHOCK ABSORBER

4шт.

4

4896884

BOLT,Flng, M8 x 1.25 x 16mm, Cl 10.9

1шт.

5

4899039

BOLT,Flng, M8 x 1.25 x 25mm, Cl 10.9

2шт.

6

4895242

BRACKET

2шт.

7

4895251

BRACKET

3шт.

8

4895252

SHOCK ABSORBER

8шт.

9

4895310

CAPTIVE WASHER SCREW

8шт.

10

4895346

BRACKET

1шт.

11

4896907

BRACKET

1шт.

12

4898638

BRACKET

1шт.

13

4895590

BRACKET

2шт.

Выбрано товаров: 0