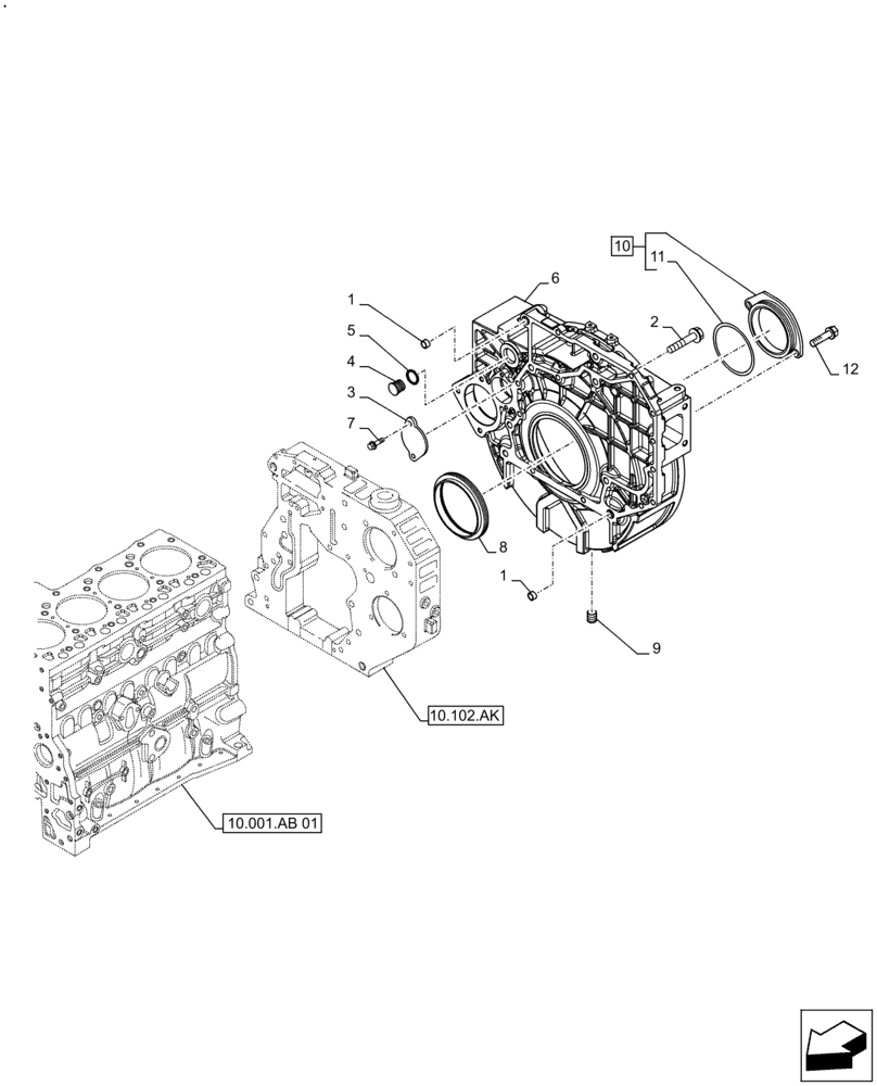
Запчасти Case IH F4GE9484A J613 (10.103.AK) - FLYWHEEL HOUSING (10) - ENGINE

Схема запчастей Case IH F4GE9484A J613 - (10.103.AK) - FLYWHEEL HOUSING (10) - ENGINE
10.102.ak
10.001.ab 01
2
10
6
5
3
1
12
1
1
9
8
7
4
1
FIT
1:1
100%

Артикул

Название

Примечание

Количество

1

4899026

DOWEL,M18 x 10

2шт.

2

4899109

SCREW,Hex, M10 x 1.5 x 80

3шт.

2

4892915

FLANGE BOLT,Hex, M10 x 1.5 x 40mm

7шт.

2

4899076

SCREW,Hex Flg, M12 x 1.75 x 80

5шт.

2

4899074

SCREW,Hex Flg, M12 x 1.75 x 120

2шт.

2

4899143

SCREW,Hex Flg, M10 x 1.5 x 140

1шт.

2

2852865

FLANGE BOLT,Hex, Shldr, Lkg, M10 x 33mm

2шт.

3

4895155

COVER

1шт.

4

4895378

BUTTON PLUG,M29.2

2шт.

5

4895379

O-RING,21.82mm ID x 3.53mm Width

2шт.

6

2855178

HOUSING

1шт.

7

4899068

BOLT,Flng, M8 x 1.25 x 16mm

2шт.

8

84575645

OIL SEAL,130mm ID x 155mm OD x 16mm Thk

1шт.

9

4893036

PIPE PLUG,3/4"-14 NPTF

Alternative to 2854866

1шт.

9

2854866

HEX SOCKET PLUG,3/4"-14 NPTF

Alternative to 4893036

1шт.

10

2854073

COVER

ASSY, Incl 11

1шт.

11

2854075

O-RING,0.103" Thk x 2.987" ID, -151

1шт.

12

4899020

FLANGE BOLT,Hex, M8 x 1.25 x 20mm

2шт.

Выбрано товаров: 18