Качественные детали и логистика
Оригинальные и аналоговые запчасти с доставкой по России, Казахстану и Беларуси
©2022 PartSell ООО "Система" ИНН 2463123282 ОГРН 1212400004838
Центральный офис: г. Красноярск, Академика Киренского, д.87, пом.4
Телефон: 8 (800) 777-65-74 Email: zakaz@partsell.ru
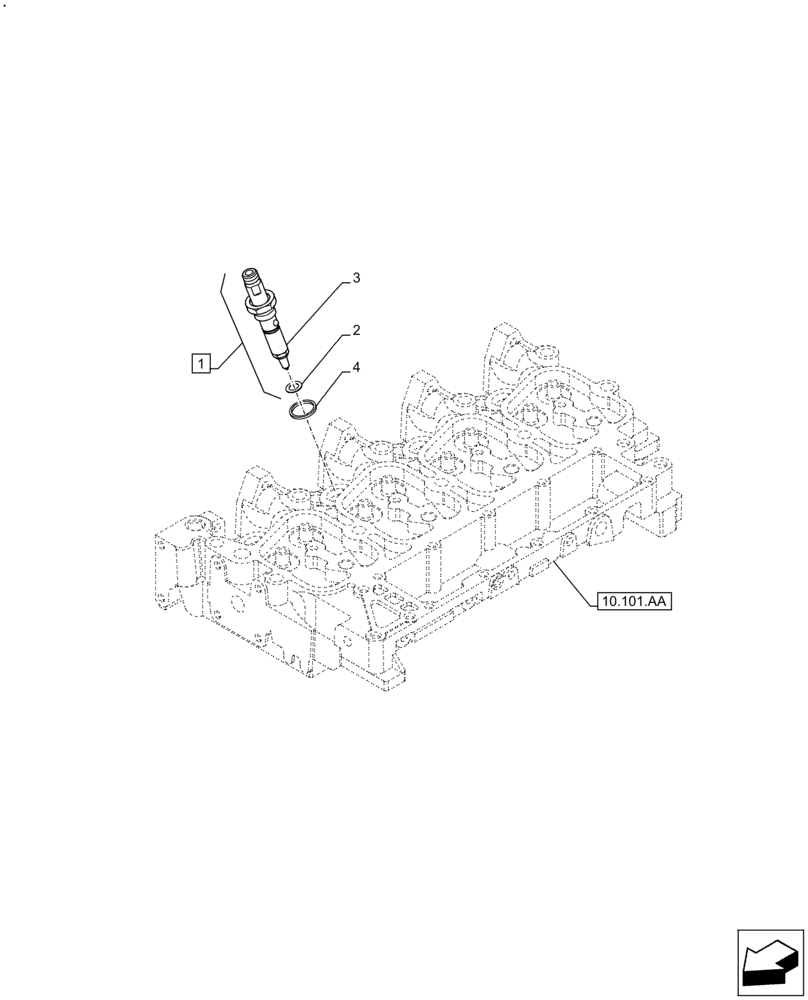
(10.218.AF) - FUEL INJECTOR
№
Артикул
Название
Примечание
Количество
1
2855399
FUEL SYSTEM INJECTOR
ASSY, Incl 2, 3
4шт.
2855399R
REMAN-INJECT NOZZLE
2855399C
CORE-NOZZLE, INJECT
Return Number
2
2856435
SEALING WASHER
1шт.
3
NSS
NOT SOLD SEPARAT
Injector, Incl in 1
4
4895297
SEAL,7.3mm ID x 15mm OD x 2.5mm THK
Выбрано товаров: 0