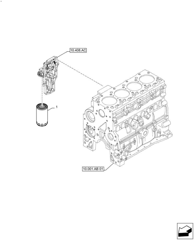
Запчасти Case IH F4GE9484A J613 (10.304.AE) - ENGINE OIL FILTER (10) - ENGINE

Схема запчастей Case IH F4GE9484A J613 - (10.304.AE) - ENGINE OIL FILTER (10) - ENGINE
1
10.001.ab 01
10.408.ac
FIT
1:1
100%

Артикул

Название

Примечание

Количество

1

4897898

ENGINE OIL FILTER,93.5mm OD x 173mm L, M27, 10 Microns

1шт.

Выбрано товаров: 0