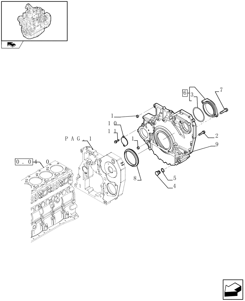
Запчасти Case IH F4GE9484K J601 (0.04.3[03]) - CRANKCASE COVERS (504153446)

Схема запчастей Case IH F4GE9484K J601 - (0.04.3[03]) - CRANKCASE COVERS (504153446)
1
10
0.04.0
7
9
5
2
pag.1
1
11
8
3
home
4
6
FIT
1:1
100%

Артикул

Название

Примечание

Количество

1

4899026

DOWEL,M18 x 10

2шт.

2

4899109

SCREW,Hex, M10 x 1.5 x 80

2шт.

2

4892915

FLANGE BOLT,Hex, M10 x 1.5 x 40mm

11шт.

2

4899076

SCREW,Hex Flg, M12 x 1.75 x 80

5шт.

2

4899074

SCREW,Hex Flg, M12 x 1.75 x 120

3шт.

3

17285481

GASKET,0.103" Thk x 2.987" ID, -151

1шт.

4

4895378

BUTTON PLUG,M29.2

1шт.

5

4895379

O-RING,21.82mm ID x 3.53mm Width

1шт.

6

2854073

COVER

- ASSY

1шт.

7

4899020

FLANGE BOLT,Hex, M8 x 1.25 x 20mm

2шт.

8

4890833

OIL SEAL,M130 x 155 x 12.5/16

1шт.

9

2854916

HOUSING

1шт.

10

4895155

COVER

1шт.

11

4899068

BOLT,Flng, M8 x 1.25 x 16mm

2шт.

Выбрано товаров: 14