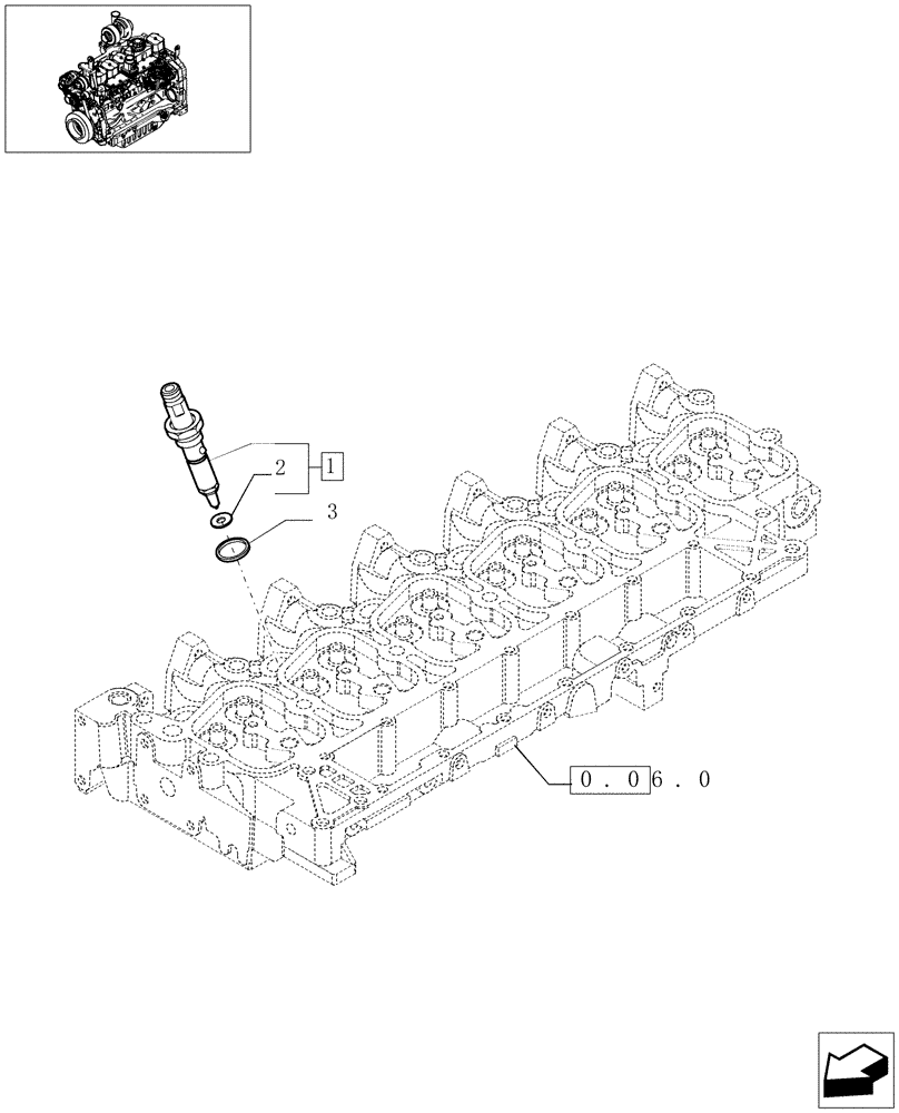
Запчасти Case IH F4GE9684B J601 (0.14.0[02]) - INJECTION EQUIPMENT - INJECTOR (504125156)

Схема запчастей Case IH F4GE9684B J601 - (0.14.0[02]) - INJECTION EQUIPMENT - INJECTOR (504125156)
3
2
0.06.0
1
FIT
1:1
100%

Артикул

Название

Примечание

Количество

1

2855399

FUEL SYSTEM INJECTOR

ASSY

6шт.

2

2856435

SEALING WASHER

6шт.

3

4895297

SEAL,7.3mm ID x 15mm OD x 2.5mm THK

6шт.

Выбрано товаров: 3