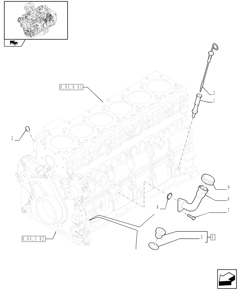
Запчасти Case IH F4GE9684B J604 (0.27.0) - ENGINE OIL DIPSTICK (2853328 - 2852376)

Схема запчастей Case IH F4GE9684B J604 - (0.27.0) - ENGINE OIL DIPSTICK (2853328 - 2852376)
home
9
4
3
2
6
8
7
0.04.0 01
0.04.3 02
5
1
FIT
1:1
100%

Артикул

Название

Примечание

Количество

1

2852603

PIPE

OIL LEVEL

1шт.

2

2853330

DIPSTICK

1шт.

3

4895406

EXPANSION PLUG,9.8mm OD

3шт.

4

4897330

HEX SOCKET PLUG,M12 x 1.5

ASSY

1шт.

5

4895610

O-RING,2.2mm Thk x 9.3mm ID

1шт.

6

2852377

NECK FILLER

1шт.

7

2852134

FLANGE BOLT,Hex, M12 x 1.75 x 25mm

2шт.

8

2852135

O-RING,2.6mm Thk x 37.7mm ID

1шт.

9

2852136

CAP,48mm ID x 56mm OD x 18mm W

1шт.

Выбрано товаров: 0