Качественные детали и логистика
Оригинальные и аналоговые запчасти с доставкой по России, Казахстану и Беларуси
©2022 PartSell ООО "Система" ИНН 2463123282 ОГРН 1212400004838
Центральный офис: г. Красноярск, Академика Киренского, д.87, пом.4
Телефон: 8 (800) 777-65-74 Email: zakaz@partsell.ru
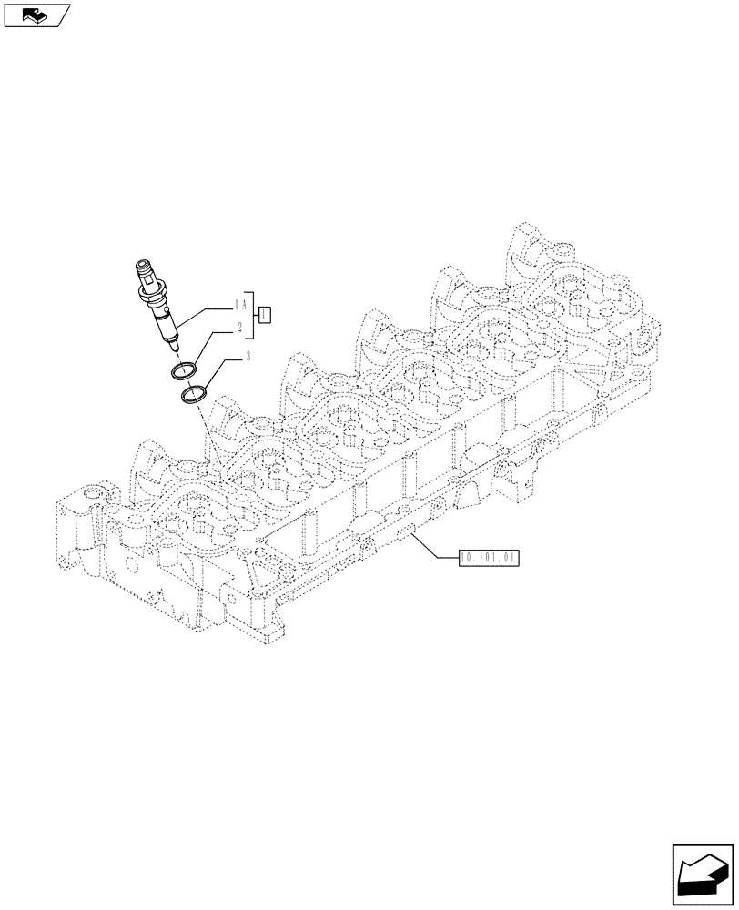
(10.218.02) - INJECTION EQUIPMENT - INJECTOR (504125156)
№
Артикул
Название
Примечание
Количество
1
2855399
FUEL SYSTEM INJECTOR
ASSY Contains Ref.1A, 2
6шт.
2
2856435
SEALING WASHER
1шт.
3
4895297
SEAL,7.3mm ID x 15mm OD x 2.5mm THK
Выбрано товаров: 3