Качественные детали и логистика
Оригинальные и аналоговые запчасти с доставкой по России, Казахстану и Беларуси
©2022 PartSell ООО "Система" ИНН 2463123282 ОГРН 1212400004838
Центральный офис: г. Красноярск, Академика Киренского, д.87, пом.4
Телефон: 8 (800) 777-65-74 Email: zakaz@partsell.ru
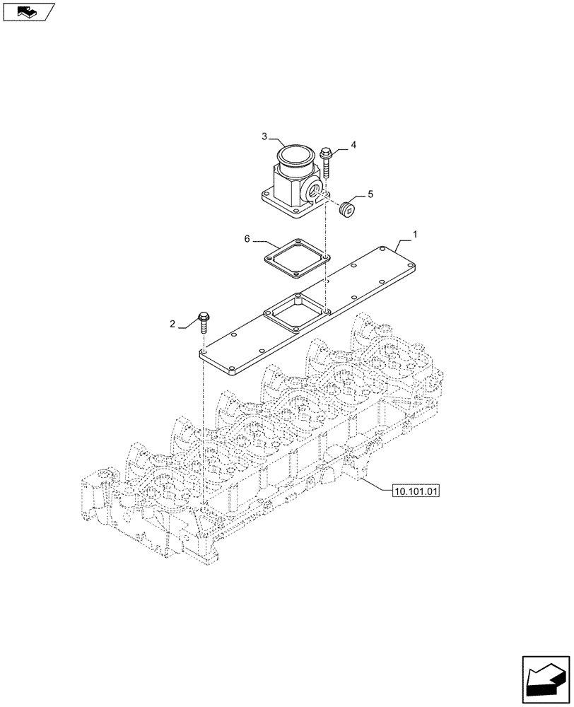
(10.254.01) - INTAKE MANIFOLD (504069562-504180402)
№
Артикул
Название
Примечание
Количество
1
2856513
COVER
1шт.
2
4899039
BOLT,Flng, M8 x 1.25 x 25mm, Cl 10.9
10шт.
3
2830891
AIR INTAKE TUBE
4
4899630
SCREW,Hex Flg, M8 x 1.25 x 25
4шт.
5
4893036
PIPE PLUG,3/4"-14 NPTF
6
4899921
GASKET,1.2mm Thk
2шт.
Выбрано товаров: 0