Запчасти Case IH F4GE9684B J605 (10.402.01[02]) - THERMOSTAT - ENGINE COOLING SYSTEM (504083230-504320541-504033593-504198770) (10) - ENGINE

Схема запчастей Case IH F4GE9684B J605 - (10.402.01[02]) - THERMOSTAT - ENGINE COOLING SYSTEM (504083230-504320541-504033593-504198770) (10) - ENGINE
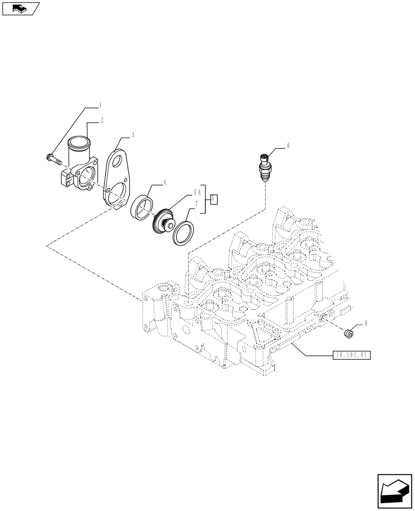
7
6
5
4
8
home
1
2
10.101.01
3
5a
FIT
1:1
100%

Артикул

Название

Примечание

Количество

1

4899091

SCREW,Hex Flange Cap, M8 x 1.25 x 40.00mm

3шт.

2

2853131

HOUSING

1шт.

3

2853132

LIFTING EYE

1шт.

4

2853133

GASKET,51.5mm ID x 61.5mm OD x 16.5mm Thk

1шт.

5

84383461

THERMOSTAT

- ASSY, OD=60.8mm Contains Ref.5A, 7

1шт.

5a

NSS

NOT SOLD SEPARAT

1шт.

6

2852157

SENSOR

1шт.

7

84325989

SEAL

1шт.

8

4895078

PIPE PLUG,1/2"-14

1шт.

Выбрано товаров: 9